RF9209 ist ein FSK-Funktransceiver im 2,4-GHz-ISM-Band. Im Vergleich zu anderen 2,4-GHz-Modulen/Chips überzeugt er durch niedrigen Verbrauch, hohe Empfindlichkeit, hohe Ausgangsleistung und Fernkommunikation. Dieses Modul verwendet den Funkchip eines führenden europäischen HF-Unternehmens. Die niedrigen Kosten, die geringe Größe und die Stabilität, die Ausgangsleistung von 10 dBm, die Empfangsempfindlichkeit von 7 mA und die Empfindlichkeit von -115 dBm übertreffen die Leistung anderer marktüblicher 2,4-GHz-Funkmodule deutlich. Das Modul ist vielseitig einsetzbar. Es erfüllt die ROHS-Zertifizierung und ist FCC- und ETSI-zertifiziert.
| Parameter | Mindest. | Typ. | Max. | Einheit | Bedingungen |
| Betriebszustand | |||||
| Betriebsspannung | 1.9 | 3.3 | 3.6 | V | |
| Arbeitstemperatur | -40 | 85 | ℃ | ||
| Stromverbrauch | |||||
| Rx-Strom | 7 | mA | |||
| Tx-Strom | 36 | mA | @10dBm | ||
| Ruhestrom | <0,1 | uA | |||
| HF-Parameter | |||||
| Frequenzbereich | 2400 | 2483,5 | MHz | ||
| Datenrate | 1,5 | 72 | Kbps | FSK | |
| Ausgangsleistung | -20 | 10 | dBm | ||
| Empfangsempfindlichkeit | -115 | dBm | @Daten=1,2 kbps | ||
| Modulation | (G)FSK |
| Chip | Sonstiges |
| Frequenz | 2,4 GHz |
| Ausgangsleistung | 10 mW |
| Schnittstelle | SPI |


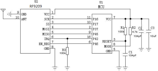
| Pin-Nr. | Pin-Name | E/A | Beschreibung |
| 1 | VCC | VCC verbinden | |
| 2 | SCK | ICH | SPI-Takteingang |
| 3 | SS | ICH | Eingangspin für die Auswahl der seriellen Schnittstelle. |
| 4 | MOSI | ICH | Dateneingang für SPI-Schnittstelle |
| 5 | MISO | O | Datenausgabe für SPI-Schnittstelle |
| 6 | IRQ | O | Externer Interrupt-Ausgang |
| 7 | EN_REG | Aktivierungssignal des Master-Steuerchips | |
| 8 | Masse | GND anschließen | |
| 9 | Masse | Antenne negativ | |
| 10 | AMEISE | Schließen Sie eine 50-Ohm-Koaxialantenne an | |
| 11 | Masse | Antenne negativ |

Datenschutzrichtlinie
· Datenschutzrichtlinie
Derzeit sind keine Inhalte verfügbar
E-Mail: sales@nicerf.com
Tel.:+86-755-23080616