Kontaktieren Sie uns
| Parameter | Mindest. | Typ. | Max. | Einheit | Zustand |
| Betriebszustand | |||||
| Spannungsbereich | 2.3 | 3.3 | 3.6 | V | |
| Betriebstemperatur | -40 | 25 | 85 | ℃ | |
| Stromverbrauch | |||||
| Rx-Strom | 12 | mA | bei 3,3 V | ||
| Tx-Strom | 12.9 | mA | bei 3,3 V | ||
| Schlafstrom | 20 | uA | |||
| HF-Parameter | |||||
| Frequenzbereich | 2.4 | 2.484 | GHz | ||
| Sendeleistung | -18 | + 4 | dBm | bei 2,4 V | |
| HF-Rate | 1 Mio. | bps | |||
| Sonderfunktion | Leuchtfeuer |



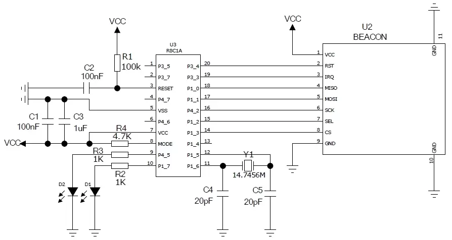
| Pin-Nr. | Pin-Name | Beschreibung |
| 1 | VCC | Angeschlossen an die positive Stromversorgung (typischerweise 5 V) |
| 2 | Masse | Mit Erde verbunden |
| 3 | TXD | TXD des Moduls und Anschluss an externes RXD |
| 4 | RXD | RXD des Moduls und Verbindung zum externen TXD |
| 5 | SATZ | Konfigurationsmodus aktivieren (niedrig, um in den Einstellungsmodus zu gelangen, offen lassen oder hohen Pegel anschließen, um den Einstellungsmodus zu verlassen). Gültig, wenn der CS-Pin hoch ist oder offen gelassen wird. |
| 6 | CS | Modulbetrieb aktiviert (Niedriger Pegel für Ruhezustand, Strom wird weniger als 40 uA betragen, Standardwert ist hoher Pegel). |
| 7 | NC | |
| 8 | Masse | Mit Erde verbunden |
| 9 | Masse | Mit Erde verbunden |


Datenschutzrichtlinie
· Datenschutzrichtlinie
Derzeit sind keine Inhalte verfügbar
E-Mail: sales@nicerf.com
Tel.:+86-755-23080616