Kontaktieren Sie uns
| Parameter | Mindest. | Typ. | Max. | Einheit | Zustand |
| Betriebsbedingungen | |||||
| Betriebsleistung | 2.2 | 3.3 | 3.8 | V | |
| Betriebstemperatur | -40 | 85 | ℃ | ||
| Stromverbrauch | |||||
| RX-Strom | 11 | mA | |||
| TX-Strom | 22 | mA | @7dBm | ||
| Schlafstrom | 0,3 | uA | |||
| HF-Parameter | |||||
| Frequenz | 403 | 433 | 463 | MHz | @433MHz |
| 838 | 868 | 898 | MHz | @868MHz | |
| Ausgangsleistung | -17,5 | 7 | dBm | ||
| Empfindlichkeit | -105 | dBm | @Daten=1,2 kbps | ||
| Modulation | (G)FSK |
| Frequenz | 433 MHz, 868 MHz, 915 MHz |
| Schnittstelle | SPI |



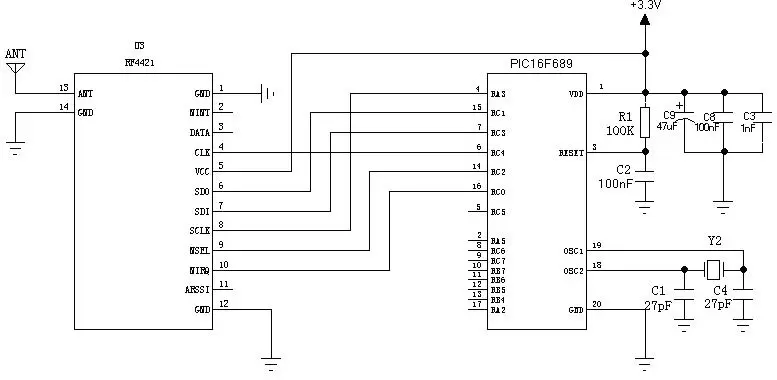
| Pin-Nr. | Stift | Beschreibung |
| 1 | Masse | Mit der Stromerde verbunden |
| 2 | NINT | Interrupt-Eingang/Effiziente Datenerkennungsausgabe |
| 3 | DATEN | Empfängerdatenausgabe (nicht im FIFO-Modus) |
| 4 | CLK | Mikrocontroller-Taktausgang |
| 5 | VCC | An 3,3 V positive Stromversorgung anschließen |
| 6 | SDO | Datenausgabe für SPI-Schnittstelle |
| 7 | SDI | Dateneingang für SPI-Schnittstelle |
| 8 | SCLK | Takteingang für SPI-Schnittstelle |
| 9 | nSEL | Serielle Datenauswahl für SPI-Schnittstellen. |
| 10 | nIRQ | Interrupt-Ausgang |
| 11 | ARSSI | Analoger RSSI-Ausgang |
| 12 | Masse | Mit der Stromerde verbunden |
| 13 | AMEISE | Angeschlossen an eine 50-Ohm-Koaxialantenne |
| 14 | Masse | Mit der Stromerde verbunden |

Datenschutzrichtlinie
· Datenschutzrichtlinie
Derzeit sind keine Inhalte verfügbar
E-Mail: sales@nicerf.com
Tel.:+86-755-23080616