Kontaktieren Sie uns
| Parameter | Mindest. | Typ. | Max. | Einheit | Bedingungen |
| Betriebsbedingungen | |||||
| Versorgungsspannung | 1.8 | 3.3 | 3.6 | V | |
| Betriebstemperatur | -40 | 25 | 85 | ℃ | |
| Stromverbrauch | |||||
| RX-Strom | 18,5 | mA | |||
| TX-Strom | 35 | mA | @13dBm | ||
| Schlafstrom | <1 | uA | |||
| HF-Parameter | |||||
| Frequenz | 403 | 433 | 463 | MHz | @433MHz |
| 838 | 868 | 898 | MHz | @868MHz | |
| 900 | 915 | 940 | MHz | @915MHz | |
| Luftdatenrate | 0,123 | 256 | Kbps | FSK | |
| Ausgangsleistung | -8 | 13 | dBm | ||
| Empfindlichkeit | -118 | dBm | @Daten=1,2 Kbps, Fdev=30 KHz | ||
| Modulation | (G)FSK |
| Chip | si4431 |
| Frequenz | 315 MHz, 433 MHz, 868 MHz, 915 MHz |
| Ausgangsleistung | 20 mW |
| Schnittstelle | SPI |



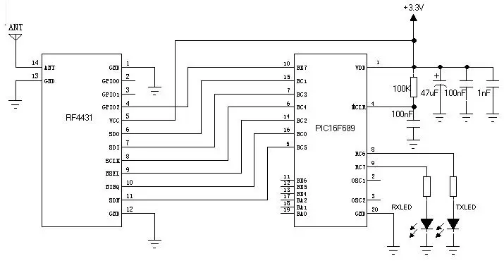
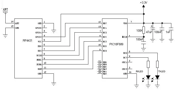
| Pin-Nr. | Pin-Name | Beschreibung |
| 1 | Masse | Mit der Stromerde verbunden |
| 2 | GPIO0 | GPIO 0 von Si4431 |
| 3 | GPIO1 | GPIO 1 von Si4431 |
| 4 | GPIO2 | GPIO 2 von Si4431 |
| 5 | VCC | Positive Versorgung 1,8–3,6 V |
| 6 | SDO | Serieller Datenausgang für SPI-Schnittstelle |
| 7 | SDI | Serieller Dateneingang für SPI-Schnittstelle |
| 8 | SCLK | Serieller Datentakt für SPI-Schnittstelle |
| 9 | nSEL | Serielle Datenauswahl für SPI-Schnittstellen. |
| 10 | nIRQ | Interrupt-Ausgang |
| 11 | SDN | Ausschaltsteuerung. SDN = 1, Ausschalten SDN = 0, normaler Betrieb. |
| 12 | Masse | Mit der Stromerde verbunden |
| 13 | Masse | Mit der Stromerde verbunden |
| 14 | AMEISE | Von 50 Ohm Koaxialantenne |

Datenschutzrichtlinie
· Datenschutzrichtlinie
Derzeit sind keine Inhalte verfügbar
E-Mail: sales@nicerf.com
Tel.:+86-755-23080616