Contact us
Hinweis: Hochwertiger 3,3-V-LDO ist integriert und Pin CS/SET ist eine 3,3-V-Schnittstelle. TXD/RXD ist auch 3,3 V für SV610-TTL.
| Parameter | Mindest. | Typ. | Max. | Einheit | Zustand |
| Betriebszustand | |||||
| Spannungsbereich | 3.3 | 5,0 | 7,0 | V | TTL-Pegel |
| Betriebstemperatur | -40 | 25 | +85 | ℃ | |
| Stromverbrauch | |||||
| Rx-Strom | 25 | mA | TTL-Pegel | ||
| Tx-Strom | 95 | mA | @20dBm | ||
| Schlafstrom | ≤5 | uA | @TTL-Pegel | ||
| HF-Parameter | |||||
| Frequenzbereich | 414,92 | 433,92 | 453,92 | MHz | @433MHz |
| 470,92 | 489,92 | 509,92 | MHz | @470MHz | |
| 849,92 | 868,92 | 888,92 | MHz | @868MHz | |
| 895,92 | 914,92 | 934,92 | MHz | @915MHz | |
| Datenrate | 1.2 | 9.6 | 115,2 | Kbps | GFSK |
| Ausgangsleistung | -1 | / | +20 | dBm | |
| Empfindlichkeit | -121 | dBm | @1,2 kbps | ||
| Schnittstelle | TTL |
| Netzwerk | STAR, Punkt-zu-Punkt |
| Frequenz | 433 MHz, 470 MHz, 868 MHz, 915 MHz |
| Modulation | (G)FSK |
| Ausgangsleistung | 100 mW |



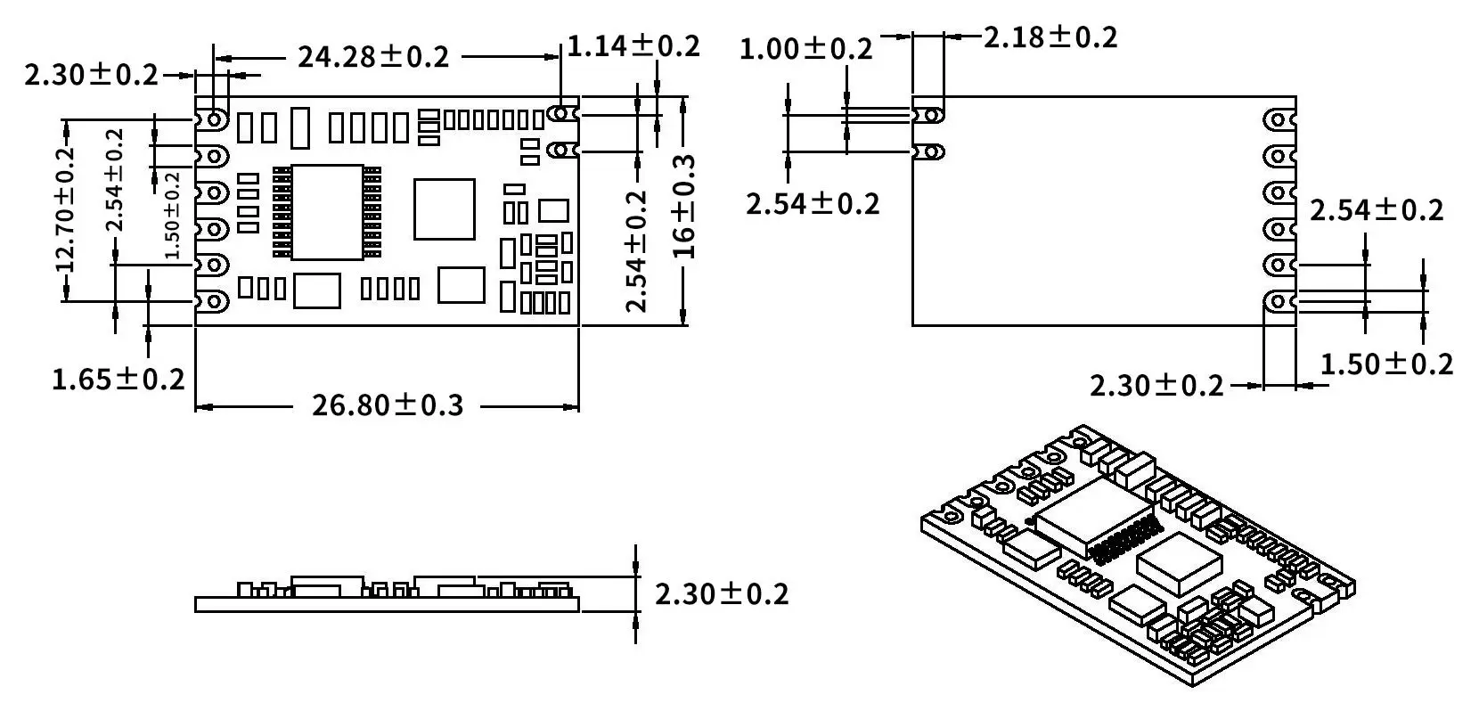
| Pin-Nr. | Definition | Beschreibung |
| 1 | VCC | Angeschlossen an die positive Stromversorgung (typischerweise 5 V) |
| 2 | Masse | Mit Erde verbunden |
| 3 | TXD | TXD des Moduls und Anschluss an externes RXD |
| 4 | RXD | RXD des Moduls und Verbindung zum externen TXD |
| 5 | SATZ | Konfigurationsmodus aktivieren (niedrig, um in den Einstellungsmodus zu gelangen, offen lassen oder hohen Pegel anschließen, um den Einstellungsmodus zu verlassen). Gültig, wenn der CS-Pin hoch ist oder offen gelassen wird. |
| 6 | CS | Modulbetrieb aktivieren (Auf Low ziehen, um das Modul in den Ruhemodus zu versetzen, offen lassen oder High-Level anschließen, um das Modul in den normalen Betriebsmodus zu versetzen) |
| 7 | Masse | Antennenmasse |
| 8 | AMEISE | Zugangsantenne (50 Ohm Koaxialantenne) |


Datenschutzrichtlinie
· Datenschutzrichtlinie
Derzeit sind keine Inhalte verfügbar
E-Mail: sales@nicerf.com
Tel.:+86-755-23080616