Das Modul LoRa1121F33-1G9 basiert auf dem LR1121-Chip von SEMTECH, einem extrem stromsparenden LoRa-Transceiver mit großer Reichweite, der Sub-GHz- und satellitengestützte S-Band-Kommunikation unterstützt. Der LoRa1121F33-1G9 unterstützt LoRa, (G)FSK-Modulation, das Sigfox-Protokoll und LR-FHSS. Er ist mit dem LoRaWAN-Kommunikationsprotokoll kompatibel und kann als LoRaWAN-Knoten fungieren. Darüber hinaus bietet er flexible Konfigurationsmöglichkeiten, um die Anforderungen verschiedener Anwendungen und proprietärer Protokolle zu erfüllen.
Parameter | Testbedingung | Mindest. | Typ. | Max | Einheit |
Spannungsbereich | 3.0 | 5 | 5.5 | V | |
Betriebstemperatur | -40 | 25 | 85 | ℃ | |
Maximales Eingangssignal | 10 | dBm | |||
Stromverbrauch | |||||
Sendestrom | @433MHz | < 900 | mA | ||
@1,9 GHz | < 750 | mA | |||
Aktuellen Empfang | < 9 | mA | |||
Schlafstrom | < 18 | uA | |||
HF-Parameter | |||||
Frequenzbereich | @433MHz | 400 | 470 | MHz | |
@470MHz | 470 | 510 | MHz | ||
@868MHz | 850 | 890 | MHz | ||
@915MHz | 900 | 940 | MHz | ||
Sendeleistung | @Sub-GHz | 20 | 33 | dBm | |
@S Frequenzband | 17 | 29 | dBm | ||
Empfangsempfindlichkeit | Bandbreite = 62,5 kHz, SF = 12 @Sub-GHz | -142 | dBm | ||
Bandbreite = 125 kHz, SF = 12 @S Frequenzband | -132 | dBm | |||
Frequenzfehler | 10 | ppm | |||
Modulationsrate (@sub-GHz) | @LoRa | 0,091 | 62,5 | Kbps | |
@FSK | 0,6 | 300 | Kbps | ||
Modulationsrate (@S Frequenzbänder ) | @LoRa | 0,292 | 87,5 | Kbps | |
Sub-GHz-Bänder: 433/470 MHz 2 W
Sub-GHz-Bänder: 868/915 MHz 1 W (anpassbar: 150–960 MHz)
S-Band: 1900 MHz – 2000 MHz, 1 W (anpassbare 2,4-G-Hochleistung)
S-Band-Empfindlichkeit: bis zu -132 dBm @ BW=125 KHz, SF=12
Sub-GHz-Empfangsempfindlichkeit: bis zu -144 dBm bei BW = 62,5 kHz, SF = 12
Elektrostatischer Schutz (ESD)
Unterstützt LR-FHSS
Unterstützt LoRaWAN- und Sigfox-Protokoll
Unterstützt AES-128-Verschlüsselung und -Entschlüsselung
Sub-GHz-Übertragung über 10 km im offenen Gelände
Ruhestrom < 18µA
Empfangsstrom < 9 mA
Kleine Größe, Stempelloch-Design
Drohnen
Fernbewässerung
Smart Home/Smarte Landwirtschaft
Industrielle Fertigung


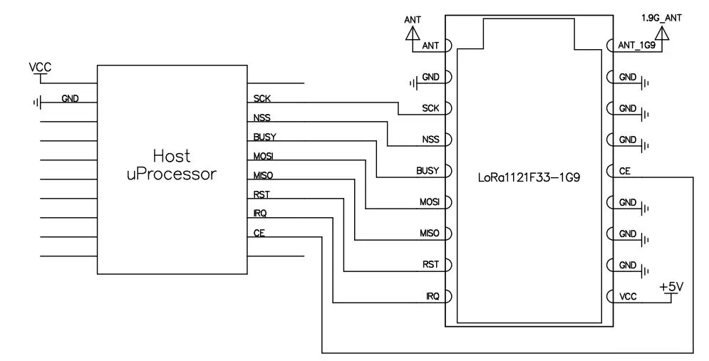
Pin-Nr. | Pin-Name | E/A | Beschreibung | Pin-Nr. | |
1 | VCC | An die positive Stromversorgung anschließen | |||
2,3,4,6,7,8,11 | Masse | An die negative Stromversorgung anschließen | |||
5 | CE | ICH | 0–5,5 V | Interner LDO-Aktivierungs-Steuerpin, zum Betrieb hochziehen oder schweben lassen, für den Ruhemodus mit Masse verbinden. Intern hochziehen | |
9 | ANT_1G9 | 1,9 GHz Antennenschnittstelle, externe 50-Ohm-Antenne | |||
10 | AMEISE | Sub-G-Antennenschnittstelle, externe 50-Ohm-Antenne | |||
12 | SCK | ICH | 0–3,3 V | SPI-Takteingang | |
13 | NSS | ICH | 0–3,3 V | SPI-Chip-Select-Eingang | |
14 | BESCHÄFTIGT | O | 0–3,3 V | Wird zur Statusanzeige verwendet. Weitere Einzelheiten finden Sie im Chip-Datenblatt. | |
15 | MOSI | ICH | 0–3,3 V | SPI-Dateneingabe | |
16 | MISO | O | 0–3,3 V | SPI-Datenausgabe | |
17 | ZURÜCKSETZEN | ICH | 0–3,3 V | Trigger-Eingang zurücksetzen, Einzelheiten finden Sie im Chip-Datenblatt | |
18 | IRQ | O | 0–3,3 V | Digitale Mehrzweckschnittstelle, Einzelheiten finden Sie im Chip-Datenblatt | |

Datenschutzrichtlinie
· Datenschutzrichtlinie
Derzeit sind keine Inhalte verfügbar
E-Mail: sales@nicerf.com
Tel.:+86-755-23080616