Kontaktieren Sie uns
| Parameter | Mindest. | Typ. | Max. | Einheit | Zustand |
| Betriebszustand | |||||
| Betriebspannung | 1.8 | 3.3 | 3.7 | V | |
| Temperaturbereich | -40 | 85 | ℃ | ||
| Stromverbrauch | |||||
| RX-Strom | 10.8 | mA | |||
| TX-Strom | 120 | mA | @20dBm | ||
| Schlafstrom | 1 | uA | |||
| HF-Parameter | |||||
Frequenzbereich | 403 | 433 | 463 | MHz | @433MHz |
| 470 | 489,92 | 510 | MHz | @470MHz | |
| Datenrate | 1.2 | 300 | Kbps | FSK | |
| 0,018 | 37,5 | Kbps | LoRa | ||
| Ausgangsleistung | -1 | 20 | dBm | ||
| Empfangsempfindlichkeit | -123 | dBm | @FSK-Daten = 1,2 kbps, Fdev = 10 kHz | ||
| -139 | dBm | @LoRa BW=125KHz_SF = 12_CR=4/5 | |||
| Schnittstelle | SPI |
| Chip | SX1278 |
| Frequenz | 433 MHz, 470 MHz |
| Modulation | LoRa |
| Ausgangsleistung | 100 mW |


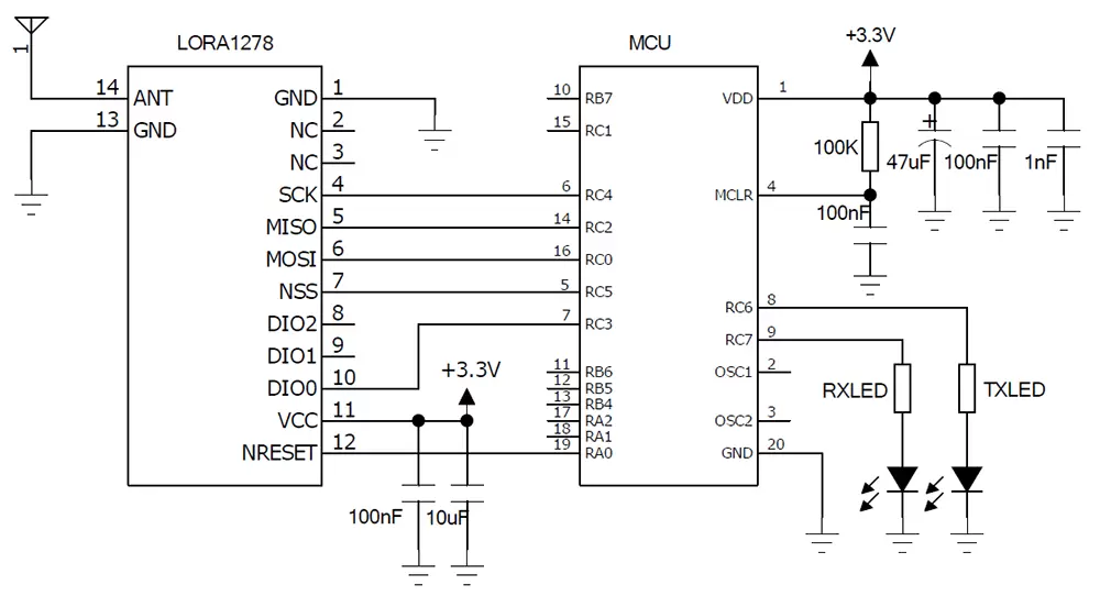
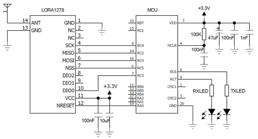
| Pin-Nr. | Pin-Name | Beschreibung |
| 1 | Masse | Stromerdung |
| 2 | NC | Leer |
| 3 | NC | Leer |
| 4 | SCK | Serieller Takt für SPI-Schnittstelle |
| 5 | MISO | SPI-Ausgang für SPI-Daten |
| 6 | MOSI | SPI-Eingang für SPI-Daten |
| 7 | NSS | SPI aktivieren |
| 8 | DIO2 | Digitaler E/A, anpassbar |
| 9 | DIO1 | Digitaler E/A, anpassbar |
| 10 | DIO0 | Digitaler E/A, anpassbar |
| 11 | VCC | Angeschlossene Stromversorgung (Standard 3,3 V) |
| 12 | NRESET | Reset-Eingang |
| 13 | Masse | Stromerdung |
| 14 | AMEISE | Anschluss mit 50 Ohm Koaxialantenne |


Datenschutzrichtlinie
· Datenschutzrichtlinie
Derzeit sind keine Inhalte verfügbar
E-Mail: sales@nicerf.com
Tel.:+86-755-23080616