Kontaktieren Sie uns
| Parameter | Mindest | TP | Max | Einheit | Zustand |
| Betriebsbedingungen | |||||
| Versorgungsspannung | 1.8 | 3.3 | 3.6 | V | |
| Betriebstemperaturbereich | -40 | 25 | 85 | ℃ | |
| Stromverbrauch | |||||
| Emissionsstrom | 6.8 | 8 | mA | bei 3,3 V | |
| Aktuellen Empfang | 2.9 | mA | bei 3,3 V | ||
| Schlafstrom | 0,26 | mA | |||
| Sonderfunktion | Ameise+ |
| Konfigurationsmeldungen | ||
| Kanalzuweisung aufheben | Kanal zuweisen | Kanal-ID festlegen |
| Kanalnachrichtenzeitraum | Zeitüberschreitung bei der Kanalsuche | Kanal-HF-Frequenz |
| Netzwerkschlüssel festlegen | Sendeleistung | Wellenform suchen |
| Kanal-ID zur Liste hinzufügen | Verschlüsselungs-ID zur Liste hinzufügen | Konfigurations-ID-Liste |
| Konfigurations-Verschlüsselungs-ID-Liste | Kanal-Tx-Leistung einstellen | Timeout bei Kanalsuche mit niedriger Priorität |
| Erweiterte Nachrichten aktivieren | Lib-Konfiguration | Frequenzflexibilität |
| Umgebungssuche | Kanalsuchpriorität | Erweiterte Burst-Funktion konfigurieren |
| Ereignisfilter konfigurieren | Konfigurieren selektiver Datenaktualisierungen | Festlegen der SDU-Maske (Selective Data Update) |
| Aktivieren Sie die Einzelkanalverschlüsselung | Verschlüsselungsschlüssel festlegen | 1.27 Verschlüsselungsinformationen festlegen |


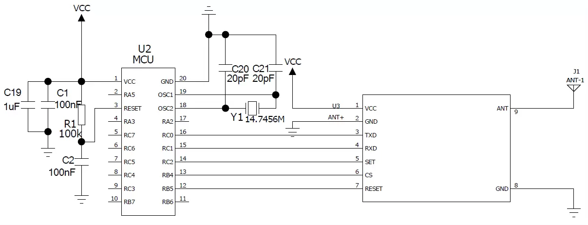
Pin-Nr. | Pin-Name | Beschreibung |
| 1 | VCC | Kraft positiv |
| 2 | Masse | Stromerdung |
| 3 | TXD | Serieller TXD |
| 4 | RXD | Serieller RXD |
| 5 | SATZ | Rufen Sie den Steuerpin für den DFU-Modus (Firmware-Upgrade) auf, ziehen Sie diesen Pin auf Low und geben Sie dann einen Low-Impuls an den RESET-Pin. Nach dem Neustart wechselt das Modul in den DFU-Modus. Ziehen Sie diesen Pin hoch oder lassen Sie ihn unverbunden. Durch Einschalten oder Zurücksetzen wechselt das Modul in den normalen Betriebsmodus. |
| 6 | CS | Sleep-Steuerstift, ziehen Sie das CS-Modul nach unten, um es in den Ruhezustand zu versetzen, ziehen Sie es nach oben oder schweben Sie, damit das Modul normal funktioniert |
| 7 | ZURÜCKSETZEN | Ziehen Sie diesen Pin nach unten, um das Modul zurückzusetzen. Ziehen Sie ihn nach oben oder schwebend, dann funktioniert das Modul normal. |
| 8 | Masse | Stromerdung |
| 9 | AMEISE | Antennenschnittstelle |

Datenschutzrichtlinie
· Datenschutzrichtlinie
Derzeit sind keine Inhalte verfügbar
E-Mail: sales@nicerf.com
Tel.:+86-755-23080616