Kontaktieren Sie uns
| Parameter | Mindest. | Typ. | Max. | Einheit | Zustand |
| Betriebszustand | |||||
| Spannungsbereich | 3.3 | 5,0 | 6.5 | V | |
| Betriebstemperatur | -40 | 25 | +85 | ℃ | |
| Stromverbrauch | |||||
| Rx-Strom | 25 | mA | TTL-Pegel | ||
| 34 | mA | 485 Ebene | |||
| Tx-Strom | 350 | mA | @27dBm | ||
| Schlafstrom | <5 | uA | @TTL-Pegel | ||
| HF-Parameter | |||||
| Frequenzbereich | 414,92 | 433,92 | 453,92 | MHz | @433MHz |
| 470,92 | 489,92 | 509,92 | MHz | @470MHz | |
| 849,92 | 868,92 | 888,92 | MHz | @868MHz | |
| 895,92 | 914,92 | 934,92 | MHz | @915MHz | |
| Datenrate | 1.2 | 9.6 | 115,2 | Kbps | GFSK |
| Ausgangsleistung | 20 | / | +27 | dBm | |
| Empfindlichkeit | -121 | dBm | @1,2 Kbps | ||
| Schnittstelle | TTL, RS485 |
| Netzwerk | STAR, Punkt-zu-Punkt |
| Frequenz | 433 MHz, 470 MHz, 868 MHz, 915 MHz |
| Modulation | (G)FSK |
| Ausgangsleistung | 500 mW |


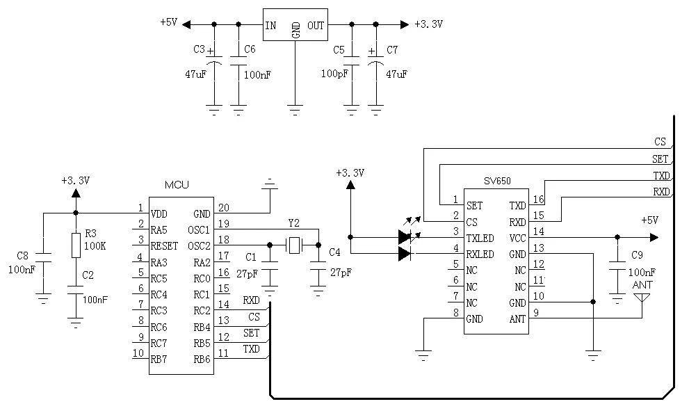
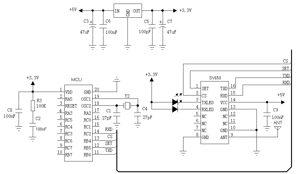
| Pin-Nr. | Definition | Beschreibung |
| 1 | SATZ | Konfigurationsparameter aktivieren (niedrig, um die Konfigurationsparameter zu aktivieren, die Standardausgabe auf hohem Niveau) |
| 2 | CS | Das Modul ist aktiviert (niedrige Ruhe, der Strom ist kleiner als 5 µA, der Standard-High-Level-Ausgang) |
| 3 | TXLED | Ausgangspin für emittiertes Licht (aktiv niedrig) |
| 4 | RXLED | Empfangsanzeige-Ausgangspin (aktiv niedrig) |
| 5 / 6 / 7 / 11 /12 | NC | Frei |
| 10.08.13 | Masse | Mit der Stromerde verbunden |
| 9 | AMEISE | HF-Signalausgang, dann eine 50-Ohm-Antenne |
| 14 | VCC | Angeschlossen an die positive Stromversorgung (typischerweise 5 V) |
| 15 | TXD/A | Serielle Kommunikationsdatenübertragung (@ 485-Pegel, dann die Ausgabe von A) |
| 16 | RXD/B | Serieller Kommunikationsdatenempfang (@ 485-Pegel, dann Ausgang B) |

Datenschutzrichtlinie
· Datenschutzrichtlinie
Derzeit sind keine Inhalte verfügbar
E-Mail: sales@nicerf.com
Tel.:+86-755-23080616