Die LoRa128X-C1-Serie wird streng bleifrei hergestellt und getestet und entspricht den RoHS- und Reach-Standards.
Diese Modulserie basiert auf den SX1280/SX1281 HF-Chips des US-amerikanischen Herstellers Semtech. Sie nutzt LoRa-Modulation und überwindet so effektiv die Einschränkungen der kurzen Kommunikationsdistanzen herkömmlicher 2,4-GHz-Module. Zusätzlich integrieren die Module eine „Time of Flight“-Funktionalität für drahtlose Distanzmessung.
Dank der hohen Durchdringungsfähigkeit des 2,4-GHz-Frequenzbands in Kombination mit der LoRa-Modulation bieten diese Module eine hervorragende Empfangsempfindlichkeit und Widerstandsfähigkeit gegenüber Umweltstörungen, sodass sie sich für Szenarien eignen, die eine 2,4-GHz-Übertragung über große Entfernungen erfordern.

Modul | LoRa128X-C1-TIP | LoRa128X-C1-TA | LoRa128X-C1-IP | LoRa128X-C1-A |
Merkmale | Ausgestattet mit IPEX-Antennenanschluss , 0,5 ppm temperaturkompensierter TCXO-Quarzoszillator in Industriequalität | An Bord PCB-Antenne , 0,5 ppm temperaturkompensierter TCXO-Quarzoszillator in Industriequalität | Mit IPEX-Antennenanschluss , 10 ppm Quarzoszillator in Industriequalität | Onboard-PCB-Antenne , 10 ppm Quarzoszillator in Industriequalität |
★ Die folgenden Parameter werden durch Tests mit einem 50-Ohm-Koaxialkabel ermittelt, das an das Instrument @VCC=3,3 V angeschlossen ist.
Parameter | Min . | Typ. | Max. | Einheit | Zustand |
Funktionstüchtigkeit | |||||
Arbeitsspannungsbereich | 1. 8 | 3.3 | 3.7 | V | |
Temperaturspannung | -40 | 85 | ℃ | ||
Stromaufnahme | |||||
RX-Strom | < 1 1 | mA | @ LoRa 128 x-C1-IP/ LoRa128x-C1-A | ||
< 1 3 | mA | @ LoRa 128 x-C1-TIP/ LoRa128x-C1-TA | |||
TX-Strom | 50 | mA | @VCC =3,3 V , 12,5 dBm
| ||
Schlafstrom | < 1 | uA | |||
Frequenzbereich | |||||
Frequenzbereich | 2400 | 2500 | MHz | ||
Datenrate | 0,476 | 202 | Kbps | @ LoRa | |
260 | 1300 | Kbps | @FLRC | ||
125 | 2000 | Kbps | @FSK | ||
Ausgangsleistung | -18 | 12,5 | dBm | @VCC=3,3V | |
Empfangsempfindlichkeit | -132 | dBm | LoRa @0,476 Kbps | ||
n Betriebsfrequenzbereich: 2400-2500 MHz
n LoRa FLRC FSK-Modulation
n Datenübertragungsrate: 0,476–202 Kbit/s @ LoRa
n Maximale Ausgangsleistung: 12,5 dBm
n Empfindlichkeit: -132dBm @ LoRa
n Hochpräziser Quarzoszillator (0,5 ppm TCXO/10 ppm)
n Paketkommunikationsmodus (Empfangs-/Sende-FiFo 256 Bytes)
n Betriebsspannungsbereich: 1,8–3,7 V
n Betriebstemperaturbereich: -40~+85°C
Anwendungen
n Drahtlose Fernbedienung
n Smart Home
n Spielzeugsteuerung
n Reifendrucküberwachung
n Gesundheitsüberwachung
n Tag-Lese-/Schreibgerät
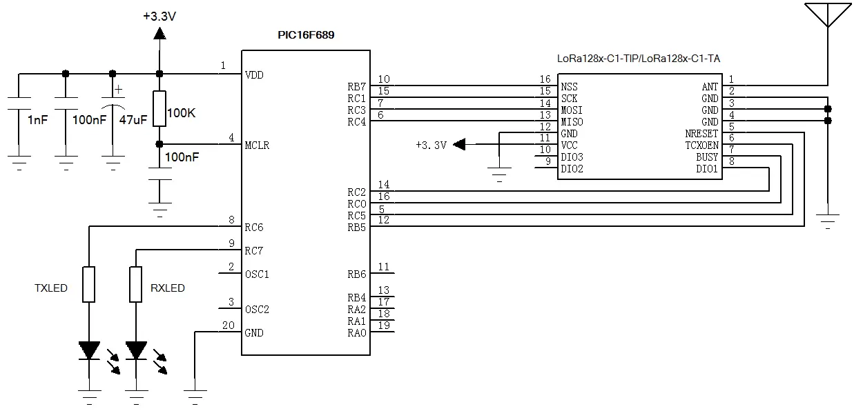
LoRa128X-C1-TIP/LoRa128X-C1-TA:

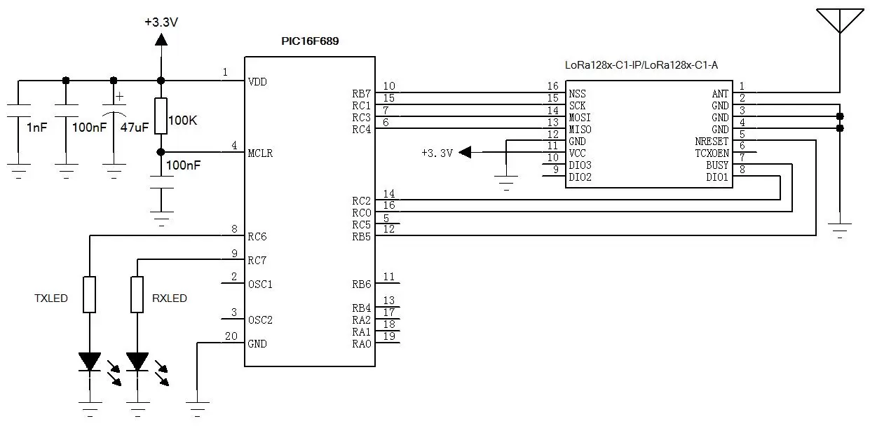
LoRa128X-C1-IP/LoRa128X-C1-A:


Pin-Nr. | Pin-Name | Beschreibung |
1 | AMEISE | Anschluss mit 50 Ohm Koaxialantenne |
2,3,4,12 | GND | Angeschlossen an den Minuspol |
5 | NRESET | Chip-Reset-Trigger-Pin, aktiv niedrig |
6 | TCXOEN | TCXO einschalten : 1. Schalten Sie den TCXOEN-Pin auf High-Pegel, bevor Sie SX1280 zurücksetzen. ; 2. Warten Sie mindestens 3 ms, bis der TCXO hochgefahren ist . 3. Während der Verwendung des 1280-Moduls muss TCXOEN auf hohem Niveau bleiben TCXO ausschalten (wenn das Modul in den Ruhemodus wechseln muss): 1. Rufen Sie die Funktion Set Sleep() auf, um das Modul in den Ruhemodus zu versetzen. 2. Warten Sie mindestens 1 ms, bis das Modul seinen Ruhezustand abgeschlossen hat. 3. Ziehen Sie TCXOEN herunter, um TCXO zu deaktivieren. Wenn Sie einen normalen Quarzoszillator verwenden, lassen Sie diesen Pin schweben. |
7 | BESCHÄFTIGT | Statusanzeige-Pin (weitere Informationen finden Sie im Datenblatt des SX1280/1281). |
8 | DIO1 | Direktanschluss-Chip-Pins, konfigurierbar als Allzweck-E/A (Funktionsdetails finden Sie im Datenblatt SX1280/1281 ). |
9 | DIO2 | Direktanschluss-Chip-Pins, konfigurierbar als Allzweck-E/A (Funktionsdetails finden Sie im Datenblatt SX1280/1281 ). |
10 | DIO3 | Direkt verbundene Chip-Pins, konfigurierbar als Allzweck-E/A (Funktionsdetails finden Sie im Datenblatt SX1280/1281 ). |
11 | VCC | Schließen Sie die positive Stromversorgung (1,8–3,7 V) an. |
13 | MISO | SPI-Ausgang für SPI-Daten |
14 | MOSI | SPI-Eingang für SPI-Daten |
15 | SCK | Serieller Takt für SPI-Schnittstelle |
16 | NSS | Modul-Chip-Auswahl-Pin |

Datenschutzrichtlinie
· Datenschutzrichtlinie
Derzeit sind keine Inhalte verfügbar
E-Mail: sales@nicerf.com
Tel.:+86-755-23080616