Kontaktieren Sie uns
| Parameter | Mindest. | Typ. | Max. | Einheit | Zustand |
| Betriebszustand | |||||
| Spannungsbereich | 2.8 | 5,0 | 6.5 | V | |
| Betriebstemperatur | -40 | 25 | +85 | ℃ | |
| Stromverbrauch | |||||
| Rx-Strom | 20 | mA | |||
| Tx-Strom | 19 | mA | |||
| Schlafstrom | 11 | uA | |||
| HF-Parameter | |||||
| Frequenzbereich | 2.4 | - | 2.484 | GHz | |
| Serielle Baudrate | 1200 | 9600 | 115200 | bps | |
| Sendeleistung | -18 | - | +3 | dBm | Konfigurierbar |
| Sonderfunktion | Leuchtfeuer |


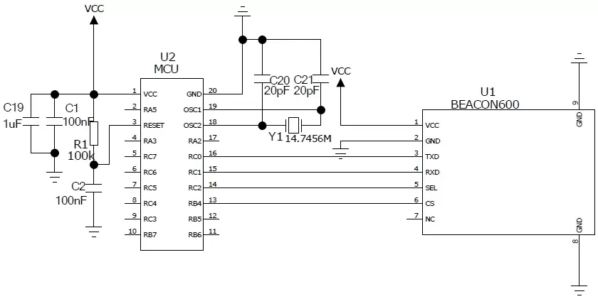
| Pin-Nr. | Pin-Name | Beschreibung |
| 1 | VCC | Angeschlossen an die positive Stromversorgung (typischerweise 5 V) |
| 2 | Masse | Mit Erde verbunden |
| 3 | TXD | TXD des Moduls und Anschluss an externes RXD |
| 4 | RXD | RXD des Moduls und Verbindung zum externen TXD |
| 5 | SATZ | Konfigurationsmodus aktivieren (niedrig, um in den Einstellungsmodus zu gelangen, offen lassen oder hohen Pegel anschließen, um den Einstellungsmodus zu verlassen). Gültig, wenn der CS-Pin hoch ist oder offen gelassen wird. |
| 6 | CS | Modulbetrieb aktiviert (Niedriger Pegel für Ruhezustand, Strom wird weniger als 40 uA betragen, Standardwert ist hoher Pegel). |
| 7 | NC | |
| 8 | Masse | Mit Erde verbunden |
| 9 | Masse | Mit Erde verbunden |

Datenschutzrichtlinie
· Datenschutzrichtlinie
Derzeit sind keine Inhalte verfügbar
E-Mail: sales@nicerf.com
Tel.:+86-755-23080616