Nov . 2024
Das LoRa1121F33-1G9-Modul basiert auf dem LR1121-Chip von SEMTECH, einem LoRa-Transceiver mit extrem geringem Stromverbrauch und großer Reichweite, der Sub-GHz und satellitengebundene S-Band-Kommunikation unterstützt. Der LoRa1121F33-1G9 unterstützt LoRa, (G)FSK-Modulation, Sigfox-Protokoll und LR-FHSS. Es ist mit dem LoRaWAN-Kommunikationsprotokoll kompatibel und kann als LoRaWAN-Knoten fungieren. Darüber hinaus bietet es flexible Konfigurationsoptionen, um den Anforderungen verschiedener Anwendungen und proprietärer Protokolle gerecht zu werden.
Merkmale des LoRa-Moduls LoRa1121F33-1G9
Sub-GHz-Bänder: 433/470 MHz, 2 W
Sub-GHz-Bänder: 868/915 MHz 1 W (anpassbar: 150–960 MHz)
S-Band: 1900 MHz ~ 2000 MHz 0,8 W
S-Band-Empfindlichkeit: bis zu -132 dBm bei BW=125 KHz, SF=12
Sub-GHz-Empfangsempfindlichkeit: bis zu 144 dBm bei BW=62,5 kHz, SF=12
Elektrostatischer Schutz (ESD)
Unterstützt LR-FHSS
Unterstützt LoRaWAN- und Sigfox-Protokoll
Unterstützt AES-128-Verschlüsselung und -Entschlüsselung
Die Sub-GHz-Übertragung übersteigt in offenen Gebieten 10 km
Schlafstrom < 15 µA
Empfangsstrom < 9mA
Kleine Größe, Stempellochdesign
Drohnen
Fernbewässerung
Smart Home/Intelligente Landwirtschaft
Industrielle Fertigung
Blockdiagramm

Elektrische Eigenschaften
Parameter | Testbedingung | Min. | Typ. | Max | Einheit |
Spannungsbereich | 3,0 | 5 | 5.5 | V | |
Betriebstemperatur | -40 | 25 | 85 | ℃ | |
Maximales Eingangssignal | 10 | dBm | |||
Aktueller Verbrauch | |||||
Strom übertragen | @433MHz | < 900 | mA | ||
@1,9 GHz | < 1000 | mA | |||
Strom empfangen | < 9 | mA | |||
Schlafstrom | < 15 | uA | |||
HF-Parameter | |||||
Frequenzbereich | @433MHz | 400 | 470 | MHz | |
@470 MHz | 470 | 510 | MHz | ||
@868MHz | 850 | 890 | MHz | ||
@915 MHz | 900 | 940 | MHz | ||
Sendeleistung | @Sub-GHz | 20 | 33 | dBm | |
@S-Frequenzband | 5 | 29 | dBm | ||
Empfangen Sie Sensibilität | BW=62,5KHz,SF=12 @Sub-GHz | -142 | dBm | ||
BW=125KHz,SF=12 @S-Frequenzband | -132 | dBm | |||
Frequenzfehler | 10 | ppm | |||
Modulationsrate (@sub-GHz) | @LoRa | 0,091 | 62,5 | Kbit/s | |
@FSK | 0,6 | 300 | Kbit/s | ||
Modulationsrate (@S Frequenzbänder ) | @LoRa | 0,292 | 87,5 | Kbit/s | |
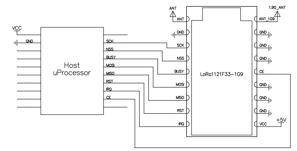
Typischer Schaltplan

Leistungsstufe | 433 MHz | 1,9 GHz | ||
Ausgangsleistung ( dBm) | Strom ( mA) | Ausgangsleistung ( dBm) | Ausgangsleistung ( mA) | |
0 | 20.1 | 419 | 5,0 | 112 |
1 | 22.6 | 427 | 8.7 | 131 |
2 | 25.3 | 445 | 11.0 | 152 |
3 | 27.2 | 485 | 13.7 | 181 |
4 | 29.3 | 551 | 16.7 | 233 |
5 | 30.8 | 628 | 19.8 | 308 |
6 | 31.7 | 691 | 22.7 | 404 |
7 | 32.2 | 734 | 23.9 | 434 |
8 | 32.6 | 775 | 24.4 | 482 |
9 | 32.9 | 817 | 29.6 | 920 |
Betriebsspannung ( V) | 433 MHz | 1,9 GHz | ||
Leistung ( dBm) | Strom ( mA) | Leistung ( dBm) | Strom ( mA) | |
3,0 | 28.0 | 506 | 27.8 | 745 |
3.5 | 29.5 | 604 | 29.1 | 846 |
4,0 | 30.7 | 678 | 30.0 | 912 |
4.5 | 31.7 | 736 | 30.3 | 920 |
5,0 | 32.6 | 810 | 30.3 | 920 |
5.5 | 33.3 | 844 | 30.3 | 920 |
Mechanismusabmessungen (Einheit: mm)

Anhang 1: Funktionsdemonstrationsplatine

Das Demoboard verfügt über drei Tasten: SET, UP und DOWN. Ihre Funktionen sind wie folgt:
Knöpfe | Funktionen |
SET-Taste kurz drücken | Bestätigen Sie oder geben Sie die nächste Ebene der Schnittstelle ein |
SET-Taste lange drücken | Kehren Sie zur vorherigen Schnittstelle zurück |
UP-Taste kurz drücken | Cursor nach oben bewegen oder Parameter um 1 erhöhen |
UP-Taste lange drücken | Parameter erhöhen |
AB -Taste kurz drücken | Bewegen Sie den Cursor nach unten oder verringern Sie den Parameter um 1 |
AB-Taste lange drücken | Parameter verringern |
Betriebsmethode:
Stellen Sie sicher, dass die Stromversorgung normal ist, und betätigen Sie dann den Netzschalter, um den Strom einzuschalten. Auf dem DEMO-Board-Bildschirm wird die aktuelle Funktionsschnittstelle angezeigt. Drücken Sie kurz die SET-Taste, um in den Einstellungsmodus zu gelangen. Um eine Option auszuwählen, drücken Sie kurz die SET-Taste. Um zurückzukehren, drücken Sie lange die SET-Taste. Verwenden Sie die AUF- und AB-Tasten, um den Parameter auszuwählen, den Sie anpassen möchten. Abschließend drücken Sie kurz die SET-Taste, um die Änderung abzuschließen.
n Modus: Funktion
n Band: Frequenzband
n FREQ: Frequenz
n SF: Spreading-Faktor
n BW: Bandbreite
n POWER: Leistung
n CR: Kodierungsratte
+86-755-23080616
sales@nicerf.com
Website: https://www.nicerf.com/
Adresse: 309-314, 3/F, Gebäude A, Hongdu-Geschäftsgebäude, Zone 43, Baoan Dist, Shenzhen, China
Datenschutzrichtlinie
· Datenschutzrichtlinie
Derzeit sind keine Inhalte verfügbar
E-Mail: sales@nicerf.com
Tel.:+86-755-23080616