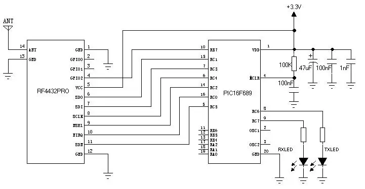
RF4432: 100 mW Si4432 HF-Transceivermodul mit Front-End-Modul
Zertifizierung: Andere
Modulation: (G)FSK
Chip: si4432
Schnittstelle: SPI
Ausgangsleistung: 100 mW
Frequenz: 315 MHz,433 MHz,470 MHz,868 MHz,915 MHz
Size (mm):16,5*17

German 




