May . 2022
Vorwort
Bei der Bereitstellung von technischem Support und HF-Anpassungen für Kunden haben wir festgestellt, dass wir aufgrund von Funktionserweiterungen und Produktaktualisierungen häufig auf Probleme stoßen, die dazu führen, dass Module, in die unterschiedliche drahtlose Chips eingebettet werden müssen, miteinander kommunizieren können. Die verschiedenen Unterschiede bei Parametern und Datenformaten machen es schwierig, zu wissen, wo man anfangen soll.
In diesem Test werden die von NiceRF unabhängig entwickelten Front-End-HF-Module RF4432PRO (eingebauter Si4432-Chip) und RF1212 (eingebauter SX1212-Chip) ausgewählt und der detaillierte experimentelle Prozess, die Hardwareschnittstelle und zugehörige Beispielprogramme beschrieben, in der Hoffnung, das Problem zu lösen zwischen verschiedenen drahtlosen Chips. Das Kommunikationsproblem bietet eine Referenzmethode.
NiceRF ist ein Technologie-, Service- und Vertriebsunternehmen mit Schwerpunkt auf der Entwicklung von HF- und Sensormodulanwendungen. Es wurden verschiedene Anwendungsmodule und Lösungen für verschiedene HF-Chips entwickelt. Die aktuellen Produkte decken verschiedene Leistungsstufen wie 20 mW, 100 mW, 500 mW, 1 W, 2 W, 3 W, 5 W ab; SPI, UART (einschließlich TTL/RS232/RS485 und USB) und andere Kommunikationsschnittstellen; 315/ 433/470/868/915 Es gibt Hunderte von Modulen mit unterschiedlichen Betriebsfrequenzen wie MHz und 2,4 GHz. Durch jahrelange Niederschläge und Ansammlungen verfügt NiceRF über eine starke Forschungs- und Entwicklungsstärke und umfangreiche Anwendungserfahrung in der Software und Hardware von HF-Anwendungen.
1.1 Chipleistung und Funktionen


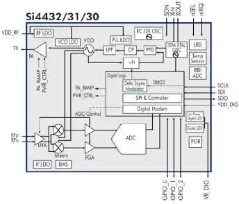
Abbildung 1: Blockdiagramm der eingebauten Module der Si4432- und SX1212-Chips
Der Si4432 im HF-Modul RF4432PRO ist ein von Silabs in den USA entwickelter Hochleistungs-HF-Transceiver-Chip mit einem Arbeitsfrequenzband unter 1 GHz, der zur EzRadioPro-Serie gehört. Es wird in China häufig in der Industrie, in der wissenschaftlichen Forschung, in der Medizin (ISM) und bei drahtlosen Kommunikationsgeräten für kurze Entfernungen (SRD) eingesetzt. Die Ausgangsleistung kann bis zu +20 dBm betragen, und die Empfangsempfindlichkeit kann auch -121 erreichen dBm.
Der SX1212 im RF1212-Funkmodul ist ein drahtloser Chip mit extrem geringem Stromverbrauch, der von Semtech in den USA entwickelt und hergestellt wird. Die Betriebsfrequenz reicht von 300 MHz bis 510 MHz. Es wurde für einen sehr geringen Empfangsstromverbrauch optimiert. Der typische Empfangsstrom beträgt 2,6 mA und die Betriebsspannung beträgt 2,1–3,6 V, maximale Sendeleistung +12,5 dBm.
Die spezifischen Parameter finden Sie in den Chiphandbüchern von Si4432 und SX1212. Die Module RF4432PRO und RF1212 bieten Hardware-Unterstützung für die integrierten Funktionen der Si4432- und SX1212-Chips. Benutzer können die Module direkt gemäß dem Chip-Handbuch programmieren, entwickeln und steuern.
| RF-Modul | RF4432PRO | RF1212 |
| Frequenzbereich (MHz) | 403, 433, 463 | 429, 433, 440 |
| Emissionsstrom | 85 mA bei 20 dBm | 25 mA bei 10 dBm |
| Empfangsstrom (mA) | 18.5 | 3 |
| Statische Leistung (uA) | <1 | <1 |
| Sendeleistungsbereich | 1~20 dBm | -8,5~12,5 dBm |
| Empfangen Sie Sensibilität | -121dBm@data=1,2Kbps | -110dBm@data=1,2Kbps,fdev=30KHz |
Tabelle 1: Vergleich der getesteten RF-Parameter von NiceRF RF4432 und RF1212
Die experimentelle Systemhardware verwendet die drahtlosen NiceRF-Module RF4432PRO und RF1212 und die entsprechenden DEMO-Demoplatinen. Die Module RF4432PRO und RF1212 enthalten leistungsstarke Chip-Anwendungsschaltkreise in Industriequalität, die gründlich getestet wurden. Die Hardwareplattform wird vervollständigt, indem die Module über Stifte miteinander verbunden werden. Durch die SPI-Port-Steuerung des Mikrocontrollers im DEMO-Demoboard kommunizieren die beiden Transceiver-Module miteinander und realisieren so die drahtlose Übertragung von Daten.
Das DEMO-Demoboard für das drahtlose Modul (siehe Abbildung 2 unten) ist ein Entwicklungsboard, das von NiceRF in Verbindung mit dem drahtlosen Front-End-Transceiver-Modul entwickelt wurde, um Kunden das Debuggen von Programmen und das Testen von Entfernungen zu erleichtern. Das DEMO-Demoboard verfügt über externe Wireless-Modul-Pins und die Einstellungsparameter können nach dem Ausschalten gespeichert werden. Der Benutzer kann die Betriebsfrequenz, die Sendeleistung und die Kommunikationsrate des Moduls sowie andere damit verbundene Parameter über die Tasteneinstellungen ändern. Das DEMO-Demoboard verfügt über 5 Arbeitsmodi, wie in Tabelle 2 gezeigt.
Tabelle 3 und Tabelle 4 sind die Pin-Definitionen des RF1212-Moduls bzw. des RF4432PRO-Moduls. Einzelheiten finden Sie in der RF4432PRO-Spezifikation und der RF1212-Spezifikation auf der offiziellen Website von NiceRF.

Abbildung 2: NiceRF DEMO-Demoplatine und Hardware-Verbindung des drahtlosen Moduls

Abbildung 3: LCD-Schnittstelle der DEMO-Demoplatine von NiceRF
| Betriebsart | Beschreibung |
| Normaler Start (Hauptmodus) | Das Datenpaket wird periodisch übertragen. Nach erfolgreicher Übertragung eines Datenpakets leuchtet das rote Licht und die Daten werden in den Empfangsmodus geschaltet. Nach dem Empfang des Antwortsignals leuchtet das blaue Licht und das LCD zeigt die Anzahl der gesendeten und empfangenen Datenpakete an. |
| Normaler Empfang (Slave-Modus) | Empfangen Sie das Datenpaket, empfangen Sie das richtige blaue Licht und übertragen Sie dann das korrekt empfangene Datenpaket. Nach erfolgreicher Übertragung leuchtet das rote Licht und das LCD zeigt die Anzahl der empfangenen und gesendeten Datenpakete an. |
| Häufiger Start (Emissionstest) | Das Modul befindet sich im normalen Sendezustand, das rote Licht leuchtet und die Anzahl der Pakete wird nicht angezeigt. |
| Häufiger Empfang (Empfangstest) | Das Modul befindet sich im normalen Empfangszustand und der entsprechende Pin gibt die empfangene Wellenform in Echtzeit aus, und die Anzahl der empfangenen Pakete wird nicht gezählt. |
| Schlafen | Das HF-Modul befindet sich im Ruhezustand und kann in diesem Zustand den statischen Stromverbrauch testen. |
Tabelle 2: Arbeitsmodus des DEMO-Demoboards von NiceRF
| Pin-Nr. | Pin-Name | Beschreibung |
| 1 | GND | Boden |
| 2 | NSS_CONFIG | SPI CONFIG aktivieren |
| 3 | NSS_DATA | SPI DATA-Aktivierung |
| 4 | MISO | SPI-Datenausgabe |
| 5 | MOSI | SPI-Dateneingabe |
| 6 | SCK | SPI-Takteingang |
| 7 | CLKOUT | Taktausgang |
| 8 | DATEN | NRZ-Dateneingabe und -ausgabe (kontinuierlicher Modus) |
| 9 | IRQ_0 | Ausgabe unterbrechen |
| 10 | IRQ_1 | Ausgabe unterbrechen |
| 11 | PLL_LOCK | Ausgang zur Erkennung der PLL-Sperre |
| 12 | VCC | Positive Stromversorgung |
| 13 | GND | Antennenmasse |
| 14 | AMEISE | Antenne |
Tabelle 3: Pin-Definition des RF1212-Moduls von NiceRF
| Pin-Nr. | Pin-Name | Beschreibung |
| 1 | GND | Stromerde |
| 2 | GPIO0 | Der Steuerpin des Senderschalters ist im Modul angeschlossen |
| 3 | GPIO1 | Der Steuerpin des Senderschalters ist im Modul angeschlossen |
| 4 | GPIO2 | Direkt an den GPIO2-Pin des Chips anschließen |
| 5 | VCC | Positive Stromversorgung 3,3 V |
| 6 | SDO | 0~VDD V Digitalausgang, bietet serielle Rücklesefunktion für das interne Steuerregister. |
| 7 | SDI | Serielle Dateneingabe. 0~VDD V Digitaleingang. Dieser Pin ist ein 4-adriger serieller Datenstrombus. |
| 8 | SCLK | Serieller Takteingang. 0~VDD V Digitaleingang. Dieser Pin bietet eine serielle 4-Draht-Datentaktfunktion. |
| 9 | nSEL | Eingangspin für die Auswahl der seriellen Schnittstelle. 0~VDD V Digitaleingang. Dieser Pin bietet die Auswahl-/Aktivierungsfunktion für den seriellen 4-Draht-Datenbus. Dieses Signal wird auch verwendet, um den Burst-Lese-/Schreibmodus anzuzeigen. |
| 10 | nIRQ | Ausgabe unterbrechen |
| 11 | SDN | Chip-Aktivierungsstift. 0~VDD V Digitaleingang. SDN=0 in allen Modi außer Shutdown-Modus. Bei SDN=1 wird der Chip vollständig heruntergefahren und der Inhalt des Registers geht verloren. |
| 12 | GND | Stromerde |
| 13 | GND | Stromerde |
| 14 | AMEISE | Mit 50-Ohm-Koaxialantenne verbinden |
Tabelle 4: Pin-Definition des RF4432PRO-Moduls von NiceRF
Beim Senden und Empfangen drahtloser Signale werden die Signale moduliert und demoduliert. Unabhängig davon, ob dieselben oder verschiedene drahtlose Module kommunizieren, führt der Unterschied in den Modulationsparametern wie Modulationsformat, Modulationsrate und -frequenz, Frequenzversatz und Empfangsbandbreite der Sende- und Empfangsteile dazu, dass die Kommunikation zwischen den drahtlosen Modulen nicht möglich ist.
3.1 Timing der SPI-Bussteuerung
Die Kommunikation zwischen den Modulen RF4432PRO und RF1212 und dem Mikrocontroller besteht darin, dass das HF-Modul drahtlose Signale gemäß den vom Mikrocontroller geschriebenen Steuerbefehlen und Daten über den SPI-Bus überträgt und die empfangenen Daten und seine eigenen zugehörigen Informationen über den Mikrocontroller an den Mikrocontroller überträgt SPI-Bus. Das SPI-Timing von Si4432 und SX1212 unterscheidet sich geringfügig.

Abbildung 4: SPI-Schreibzeitpunkt des Si4432-Chips

Abbildung 5: SPI-Schreibzeitpunkt des SX1212-Chips
3.2 Testmodus
Die DEMO-Demoplatinen der drahtlosen Module RF4432PRO und RF1212 von NiceRF verfügen über zwei Testmodi: Always-on und Always-off, die für das Debuggen von Programmen praktisch sind. Im Testmodus arbeitet der SX1212-Chip im Continuous-Modus und der Si4432 im Burst-Schreib- und Burst-Lesemodus. Der gemeinsame Punkt zwischen den Modulen RF4432PRO und RF1212 im Testmodus der DEMO-Demoplatine besteht darin, dass Daten kontinuierlich übertragen werden und die empfangene Echtzeitwellenform am entsprechenden Pin angezeigt werden kann.

Abbildung 6: Si4432-Burst-Schreibmodus

Abbildung 7: Kontinuierlicher Modus des SX1212
3.3 Normalmodus
Die normalen Transceiver-Modi der DEMO-Demokarten der drahtlosen Module NiceRF RF4432PRO und RF1212 laufen im PH+FIFO-Modus von Si4432 bzw. im Paketmodus von SX1212.
Sowohl Si4432 als auch SX1212 sind mit 64-Byte-FIFO und entsprechenden Datenpaketverarbeitungsfunktionen konfiguriert. In diesem Modus fügt der Chip automatisch Präambel, Synchronisationswort, Prüfsumme usw. hinzu und erkennt sie und zeigt den Kommunikationsstatus durch Unterbrechung an, was den Kommunikationsprozess erheblich erleichtert. Für die Kommunikation im Normalmodus muss sichergestellt werden, dass die Datenpaketformateinstellungen der beiden Kommunikationsmodule exakt übereinstimmen, da der Chip sonst keinen Interrupt generieren kann.

Abbildung 8: Si4432-Paketformat

Abbildung 9: SX1212-Paketformat
3.4 Zusammenfassung
Tabelle 5 vergleicht das Paketformat der Si4432- und SX1212- Chips. Es kann festgestellt werden, dass das Datenpaket von Si4432 aus zwei weiteren Teilen besteht, dem Header und der Datenlänge, und der Rest ist grundsätzlich gleich. Um sicherzustellen, dass die beiden Chips kommunizieren können, stellen Sie das Testdatenpaketformat wie in Tabelle 6 gezeigt ein.

Tabelle 5: Vergleich der Paketformate Si4432 und SX1212

Tabelle 6: Testpaketformat
Die in der Systemkommunikation verwendeten Hochfrequenzparameter sind wie folgt eingestellt: Transceiverfrequenz 423,0 MHz, Frequenzversatz 50 kHz und HF-Rate: 1,2 Kbit/s. Das gesendete Datenformat ist in Tabelle 6 oben dargestellt.
Um sicherzustellen, dass sowohl die Funkmodule si4432 als auch sx1212 ordnungsgemäß funktionieren und Referenzwellenformen bereitstellen können, aktivieren Sie in dieser Einstellung zunächst dieselben Module für die Kommunikation im normalen Modus des DEMO-Demoboards.
4.1 Vergleich der Empfangs- und Sendewellenformen
Der Datenpaketmodus ist für das Debuggen des Programms nicht förderlich, da der Chip die Daten automatisch verarbeitet und nur das Ergebnis anzeigt. Daher verwenden wir den DEMO-Demoboard-Testmodus und externe Pins von Shenzhen Siwei Wireless Technology Co., Ltd., um die Qualität der Kommunikation zu beurteilen, indem wir gleichzeitig die intuitivste Art des Sendens und Empfangens von Wellenformen beobachten.
Testen Sie zunächst die vom RF1212-Modul gesendete und vom RF4432PRO-Modul empfangene Kommunikation.
Stellen Sie den GPIO2 des RF4432PRO als Ausgang der Rx-Datenausgabefunktion ein und stellen Sie den RF1212-Transceiver-Modus auf den kontinuierlichen Modus ein, sodass die empfangenen und gesendeten Daten in Echtzeit von den GPIO2- und DATA-Pins ausgegeben werden können. Beobachten Sie mithilfe eines Logikanalysators gleichzeitig die von den Modulen RF1212 und RF4432PRO gesendeten und empfangenen Wellenformen und führen Sie entsprechende Vergleiche durch. Wie in Abbildung 10 dargestellt, kann festgestellt werden, dass es für jede Sendewellenform eine entsprechende Empfangswellenform gibt, was beweist, dass der RF4432PRO die vom RF1212 übertragenen Daten empfängt.

Abbildung 10: RF1212-Sende- und RF4432-Empfangstestwellenformen bei 423 MHz, 1,2 Kbit/s, 50 kHz Frequenzversatz
Vergrößern Sie die Wellenform, beobachten Sie jede Empfangswellenform, wie in Abbildung 11 dargestellt, und stellen Sie fest, dass jede Empfangswellenform des RF4432PRO eine andere Verformung aufweist als die Sendewellenform des RF1212. Die Beurteilung kann sein, dass der Unterschied des Chips dazu führen kann, dass das Demodulationssignal unter einigen Hochfrequenzparametern falsch ist.

Abbildung 11: Zwei Sätze von Wellenformen, die von RF1212 gesendet und von RF4432 mit einem Frequenzversatz von 423 MHz, 1,2 Kbit/s und 50 kHz empfangen werden
Stellen Sie zunächst die Baudrate der Module RF4432PRO und RF1212 auf 2,4 kBit/s ein. Es wurde festgestellt, dass die RF1212-Sende- und RF4432-Empfangswellenformen relativ konsistent und teilweise verzerrt sind, wie in Abbildung 12 dargestellt.

Abbildung 12: RF1212-Sende- und RF4432-Empfangswellenformen bei 423 MHz, 2,4 Kbit/s und 50 kHz Frequenzversatz
Um die Genauigkeit der Wellenform zu verbessern, wurde die Baudrate der RF4432PRO- und RF1212-Module auf 9,6 kbit/s erhöht, und es wurde festgestellt, dass die RF1212-Sende- und RF4432-Empfangswellenformen konsistent waren.

Abbildung 13: RF1212-Sende- und RF4432-Empfangswellenformen bei 423 MHz, 9,6 Kbit/s und 50 kHz Frequenzversatz
Wenn die Baudraten der RF4432PRO- und RF1212-Module nicht angepasst werden können, um konsistente Wellenformen zu erhalten, können Sie versuchen, die HF-Parameter wie Modulationsfrequenz, Frequenzoffset und Bandbreite der RF4432PRO- und RF1212-Module anzupassen. Wenn beispielsweise der Frequenzversatz der Module RF4432PRO und RF1212 auf 20 kHz eingestellt wird, können selbst bei einer Baudrate von 1,2 k konsistente Sende- und Empfangswellenformen erzielt werden.

Abbildung 14 RF1212-Sende- und RF4432-Empfangswellenformen bei 423 MHz, 1,2 Kbit/s und 20 kHz Frequenzversatz
4.2 Empfang im Paketmodus
Das RF4432PRO-Modul empfängt die gleiche Wellenform wie das RF1212-Modul. Behalten Sie daher die HF-Parameter bei und stellen Sie den Arbeitsmodus des NiceRF DEMO-Demoboards auf den Normalmodus ein, um zu sehen, ob der Chip unterbrochen werden kann. Wie in Abbildung 15 dargestellt, generiert der Si4432 einen Empfangsinterrupt. Senden Sie eine Zeit lang weiter und stellen Sie fest, dass kein Paketverlust vorliegt.

Abbildung 15: 423 MHz 9,6 Kbit/s 50 kHz Frequenzversatz RF1212-Dauermodus und RF4432-Paketmodus-Empfang
If there is no receiving interruption, you can find out the problem by comparing the difference between the receiving waveforms of the receiving module and the same module that can communicate normally. As shown in Figure 16, comparing the received waveform transmitted by RF1212 and the waveform transmitted by RF4432PRO, it is found that the RF1212 transmission waveform is interrupted and missed a section, and it is judged that the synchronization word of the data packet is wrong.

Figure 16: 423MHz 9.6Kbps 50KHz frequency offset RF1212 transmit and RF4432 transmit waveforms
4.3 Overall flow chart

Figure 17: RF4432PRO and RF1212 communication debugging flow chart
5.1 Hardware Results
The RF1212 works in the normal transmit mode of the NiceRF DEMO demo board, and the RF4432PRO works in the normal receive mode of the DEMO demo board. The number of packets sent and received is displayed on the screen. As shown in Figure 18, there is no packet loss after sending for a period of time.

Figure 18: Physical diagram of RF4432PRO (left) and RF1212 communication
5.2 Software Results
In Figure 19, 4432_IRQ is the interrupt pin of RF4432PRO, and RF1212_IRQ0 and RF1212IRQ1 are the receive and transmit interrupt pins of RF1212, respectively. It can be seen that each transmit interrupt has a corresponding receive interrupt.

Figure 19: RF4432PRO and RF1212 Communication Interruption
The key to the experiment lies in the initial setting part of the RF4432PRO and RF1212 modules, and the rest are consistent with the communication procedures between the same modules. The communication between the RF4432PRO and RF1212 modules can be realized by directly substituting the following testable RF4432PRO and RF1212 module initialization codes into the communication program. The complete test program used in this experiment can be found in the RF4432 DEMO CODE and RF1212 DEMO CODE on the NiceRF official website.
6.1 RF4432PRO initialization example
void SI4432_init(void)
{
ItStatus1 = spi_rw(0x03,0x00); // clr RF interrupt factor
ItStatus2 = spi_rw(0x04,0x00);
SpiWriteCfg(0x06|0x80, 0x00); // Set RF interrupt
SpiWriteCfg(0x07|0x80, SI4432_PWRSTATE_READY); // enter ready mode
SpiWriteCfg(0x09|0x80, 0x7f); // load cap = 12P
SpiWriteCfg(0x0a|0x80, 0x05); // output clk set
SpiWriteCfg(0x0b|0x80,0x1f);
SpiWriteCfg(0x0c|0x80,0x1f);
SpiWriteCfg(0x0d|0x80, 0xf4); // GPIO 2 = rx data
SpiWriteCfg(0x70|0x80, 0x2c);
SpiWriteCfg(0x1d|0x80, 0x40); // enable afc
// 9.6K bps setting
SpiWriteCfg(0x1c|0x80,0xab); // according to Silabs's excel
SpiWriteCfg(0x20|0x80,0x39);
SpiWriteCfg(0x21|0x80,0x20);
SpiWriteCfg(0x22|0x80,0x68);
SpiWriteCfg(0x23|0x80,0xdc);
SpiWriteCfg(0x24|0x80,0x00);
SpiWriteCfg(0x25|0x80,0x2a);
SpiWriteCfg(0x2a|0x80,0x24);
SpiWriteCfg(0x72|0x80,0x50);
SpiWriteCfg(0x6e|0x80,0x4e);
SpiWriteCfg(0x6f|0x80,0xa5);
//9.6K bps setting end
SpiWriteCfg(0x30|0x80, 0x88); // enable PH+ FIFO, disable crc, msb
SpiWriteCfg(0x32|0x80,0x00);
SpiWriteCfg(0x33|0x80,0x02); // Paketlänge ist nicht enthalten
SpiWriteCfg(0x34|0x80, 16); // Präambel = 16 Nibbles
SpiWriteCfg(0x35|0x80, 0x2a); // Präambelerkennung = 2a Bit
SpiWriteCfg(0x36|0x80,'s'); // Synchronisierungswort = 0x7377
SpiWriteCfg(0x37|0x80,'w');
SpiWriteCfg(0x3e|0x80, 10); // Länge der Nutzlast = 10
SpiWriteCfg(0x43|0x80,0x00);
SpiWriteCfg(0x44|0x80,0x00);
SpiWriteCfg(0x45|0x80,0x00);
SpiWriteCfg(0x46|0x80,0x00); // Header 3 2 1 0 deaktivieren
SpiWriteCfg(0x6d|0x80, 0x07); // maximale Ausgangsleistung
SpiWriteCfg(0x79|0x80, 0x0); // nicht hop
SpiWriteCfg(0x7a|0x80, 0x0); // nicht hop
SpiWriteCfg(0x71|0x80, 0x22); // FiFo, FSK, kein Clk erforderlich
SpiWriteCfg(0x72|0x80, 0x50); // Abweichung: 50KHz
SpiWriteCfg(0x73|0x80, 0x0); // kein Frequenzoffset
SpiWriteCfg(0x74|0x80, 0x0); // kein Frequenzoffset
SpiWriteCfg(0x75|0x80,0x52);
SpiWriteCfg(0x76|0x80,0x4b);
SpiWriteCfg(0x77|0x80,0x00); // Frequenz: 423 MHz
}
6.2 RF1212-Initialisierungsbeispiel
void sx1212_init (void)
{
SPI_nss_cfg=1; //spi init
SPI_nss_dat=1;
SPI_mosi=1;
SPI_sck=0;
SetRFMode(RF_SLEEP);
SpiWriteCfg(((0x00<<1)&0x3E),0x0c); // Frequenzband zwischen 400 MHz und 440 MHz
SpiWriteCfg(((0x01<<1)&0x3E),0xa0); // FSK, Paketmodus
SpiWriteCfg(((0x02<<1)&0x3E),0x07); // Fdev=50kHz
SpiWriteCfg(((0x03<<1)&0x3E),0x16);
SpiWriteCfg(((0x04<<1)&0x3E),0x1c); // Bitrate=9,6kbps
SpiWriteCfg(((0x06<<1)&0x3E),0x77); // Frequenz=423,0 MHz
SpiWriteCfg(((0x07<<1)&0x3E),0x2e);
SpiWriteCfg(((0x08<<1)&0x3E),0x00);
SpiWriteCfg(((0x0c<<1)&0x3E),0xc5); // FIFO-Größe = 64 Bytes
SpiWriteCfg(((0x10<<1)&0x3E),0xa3); // RX Passivfilter=378kHZ
SpiWriteCfg(((0x11<<1)&0x3E),0x38); // Zentralfrequenz des Polyphasenfilters=100kHz
SpiWriteCfg(((0x12<<1)&0x3E),0x28); // SyncByte = 2 Bytes
SpiWriteCfg(((0x16<<1)&0x3E),0x73); // SyncByte1= 0x73
SpiWriteCfg(((0x17<<1)&0x3E),0x77); // SyncByte2= 0x77
SpiWriteCfg(((0x1a<<1)&0x3E),0x72); // Tx-Interpolationsfilter-Grenzfrequenz = 200 kHz, TX-Leistung = 9,5 dBm
SpiWriteCfg(((0x1b<<1)&0x3E),0x00); // CLK-Ausgang deaktivieren
SpiWriteCfg(((0x1c<<1)&0x3E),0x0b); // Paketgröße = 11 Bytes
SpiWriteCfg(((0x1e<<1)&0x3E),0x60); // kein CRC
}
In diesem Dokument werden der detaillierte Implementierungsprozess, die Hardwareschnittstelle und das Beispielprogramm der Kommunikation zwischen den drahtlosen Modulen RF4432PRO und RF1212 von NiceRF beschrieben, die durch Experimente überprüft werden. Die grundlegende Methode zur Realisierung der Kommunikation besteht darin, für RF4432PRO und RF1212 die gleichen HF-Parameter und Datenformate festzulegen. Diese Methode kann auch auf die Kommunikation anderer Funkmodule und Funkchips ausgeweitet werden. Wenn Sie auf andere experimentelle Phänomene aus dem Text stoßen, Fragen zum experimentellen Ablauf oder andere Ideen haben, können Sie gerne mit uns kommunizieren.
+86-755-23080616
sales@nicerf.com
Website: https://www.nicerf.com/
Adresse: 309-314, 3/F, Gebäude A, Hongdu-Geschäftsgebäude, Zone 43, Baoan Dist, Shenzhen, China
Datenschutzrichtlinie
· Datenschutzrichtlinie
Derzeit sind keine Inhalte verfügbar
E-Mail: sales@nicerf.com
Tel.:+86-755-23080616