Type: LoRa Front-End Modules
Certification: KC,ANATEL
Modulation: LoRa
Interface: TTL
Output Power: 100mw
Frequency: 433MHz,470MHz,868MHz,915MHz
Network: MESH,Point-to-point
Größe (mm):39,55*22,93
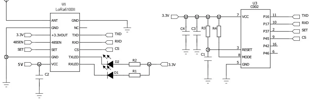
Hinweis: Das Modul wird intern durch einen 3,3-V-LDO geregelt. Die CS-Pin- und SET-Pin-Steuerung erfolgt auf 3,3-V-Pegel. TXD und RXD liegen ebenfalls auf 3,3-V-Pegeln.
| Parameter | Mindest. | Typ. | Max. | Einheit | Zustand |
| Betriebszustand | |||||
| Spannungsbereich | 3.4 | 4.0 | 5.5 | V | |
| Betriebstemperatur | -40 | 25 | +85 | ℃ | |
| Stromverbrauch | |||||
| Rx-Strom | <8 | mA | TTL-Pegel | ||
| Tx-Strom | < 1300 | mA | @5 V, 33 dBm, 433 MHz | ||
| < 1000 | mA | @5 V, 31,5 dBm, 915 MHz | |||
| Schlafstrom | < 240 | uA | |||
| HF-Parameter | |||||
| Frequenzbereich | 414,92 | 433,92 | 453,92 | MHz | @433MHz |
| 470,92 | 490,92 | 509,92 | MHz | @470MHz | |
| 849,92 | 868,92 | 888,92 | MHz | @868MHz | |
| 895,92 | 914,92 | 934,92 | MHz | @915MHz | |
| Datenrate | 1312 | 62500 | bps | @LoRa | |
| Ausgangsleistung | 15 | +33 | dBm | Softwarelevel 7 einstellbar | |
| 19 | 31,5 | dBm | |||
| Empfindlichkeit | -129 | dBm | @1312bps | ||
| Schnittstelle | TTL |
| Netzwerk | NETZ |
| Frequenz | 433 MHz, 470 MHz, 868 MHz, 915 MHz |
| Modulation | LoRa |
| Ausgangsleistung | 2W |
Die Übertragungsdistanz eines einzelnen Moduls im offenen Bereich beträgt 10–12 km bei niedriger Rate


| NEIN. | STIFT | Beschreibung |
| 1 | RXLED | Empfangssignalanzeige, niedriger Pegel, Standardwert: hoch |
| 2 | TXLED | Sendesignalanzeige, niedriger Pegel, Standard hoch |
| 3 | CS | Modul-Aktivierungsstift (integrierter Pull-up). Hinweis: Werksseitige Standardversion: Ruhestrom <240 uA, CS auf High gezogen oder für normale Kommunikation ausgesetzt, Ruhezustand auf niedrigem Pegel; Version mit geringem Stromverbrauch: Ruhestrom <15 uA, normale Kommunikation, wenn CS auf Low gezogen, auf High gezogen oder in den Ruhezustand schwebend. |
| 4 | RXD | Empfang serieller Kommunikationsdaten |
| 5 | TXD | Serielle Kommunikationsdatenübertragung |
| 6 | NC | Keine Verwendung |
| 7 | GND | Antennenmasse |
| 8 | AMEISE | HF-Signalausgang, verbunden mit 50-Ohm-Antenne |
| 9 | GND | Antennenmasse |
| 10 | +3,3 V Ausgang | 3,3-V-Spannungsausgangspin, kann Geräte innerhalb von 50 mA antreiben |
| 11 | 485EN | Kann an den externen Erweiterungs-485-Pegelregler-Konvertierungsstift angeschlossen werden |
| 12 | SATZ | Konfigurationsparameter aktivieren (Low-Level-Aktivierungsparameterkonfiguration, Standard-High-Level-Ausgabe) |
| 13 | GND | Verbinden Sie den Minuspol der Stromversorgung, das Erdungskabel |
| 14 | VCC | Verbinden Sie den Pluspol der Stromversorgung (typischerweise 4V) |

Datenschutzrichtlinie
· Datenschutzrichtlinie
Derzeit sind keine Inhalte verfügbar
E-Mail: sales@nicerf.com
Tel.:+86-755-23080616