Certification: Others
Modulation: LoRa
Interface: RS232,RS485,TTL
Output Power: 5W
Frequency: 433MHz,470MHz,868MHz,915MHz
Network: MESH,Point-to-point
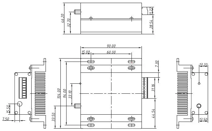
Größe (mm):90*104
Das LoRa6500II-Modul ist eine neue Serie verbesserter drahtloser Netzwerkkommunikationsmodule. Es nutzt die fortschrittliche LoRa-Spread-Spectrum-Modulation-Frequenzsprungtechnologie für hohe Empfindlichkeit. Die Durchdringungsfähigkeit und Kommunikationsreichweite sind deutlich besser als bei aktuellen FSK- und GFSK-Produkten und bieten eine höhere Entstörungsfestigkeit. Wir haben das Modul als All-in-One-Modul konzipiert, um den unterschiedlichen Kundenanforderungen gerecht zu werden. Benutzer können über die PC-Software oder Befehle zwischen verschiedenen Arbeitsmodi wechseln. Im MESH-Modus verfügt das Routing-Modul über eine automatische Routing-Funktion, sodass Benutzer ein Netzwerk ohne tote Zone und ohne Entfernungsbeschränkung bilden können. Gleichzeitig können Benutzer die AES128-Verschlüsselung drahtloser Daten über die PC-Software oder serielle Befehle aktivieren, was die drahtlose Datenkommunikation sicherer macht.
| Parameter | Mindest. | Typ. | Max. | Einheit | Zustand |
| Betriebszustand | |||||
| Spannungsbereich | 9,0 | 12,0 | 30 | V | |
| Betriebstemperatur | -40 | 25 | +85 | ℃ | |
| Stromverbrauch | |||||
| Rx-Strom | < 9 | mA | |||
| Tx-Strom | < 1,6 | A | |||
| Schlafstrom | <2 | mA | |||
| HF-Parameter | |||||
| Frequenzbereich | 414,92 | 433,92 | 453,92 | MHz | @433MHz |
| 470,92 | 490,92 | 509,92 | MHz | @490MHz | |
| 849,92 | 868,92 | 888,92 | MHz | @868MHz | |
| 895,92 | 914,92 | 934,92 | MHz | @915MHz | |
| Datenrate | 1312 | 62500 | bps | @LoRa | |
| Ausgangsleistung | 26 | +37 | dBm | 0~7 einstellbar | |
| Empfindlichkeit | -129 | dBm | @1,3 Kbit/s | ||
| Schnittstelle | TTL, RS232, RS485 |
| Netzwerk | NETZ |
| Frequenz | 433 MHz, 470 MHz, 868 MHz, 915 MHz |
| Modulation | LoRa |
| Ausgangsleistung | 5 W |



| NEIN. | STIFT | Beschreibung |
| 1 | VCC | An die positive Stromversorgung angeschlossen |
| 2 | TXD | TXD der seriellen Schnittstelle |
| 3 | RXD | RXD der seriellen Schnittstelle |
| 4 | GND | Stromerdung |
| 5 | A+ | Anschluss an A+ für RS485-Schnittstelle |
| 6 | B- | Anschluss an B- für RS485-Schnittstelle |
| 7 | SATZ | Einstellmodus wird aktiviert, wenn CS hochgezogen wird (0: Einstellmodus, 1: normaler Arbeitsmodus) |
| 8 | CS | Modul aktivieren (Ruhezustand bei niedrigem Pegel, Standardausgang mit hohem Pegel) |


Datenschutzrichtlinie
· Datenschutzrichtlinie
Derzeit sind keine Inhalte verfügbar
E-Mail: sales@nicerf.com
Tel.:+86-755-23080616