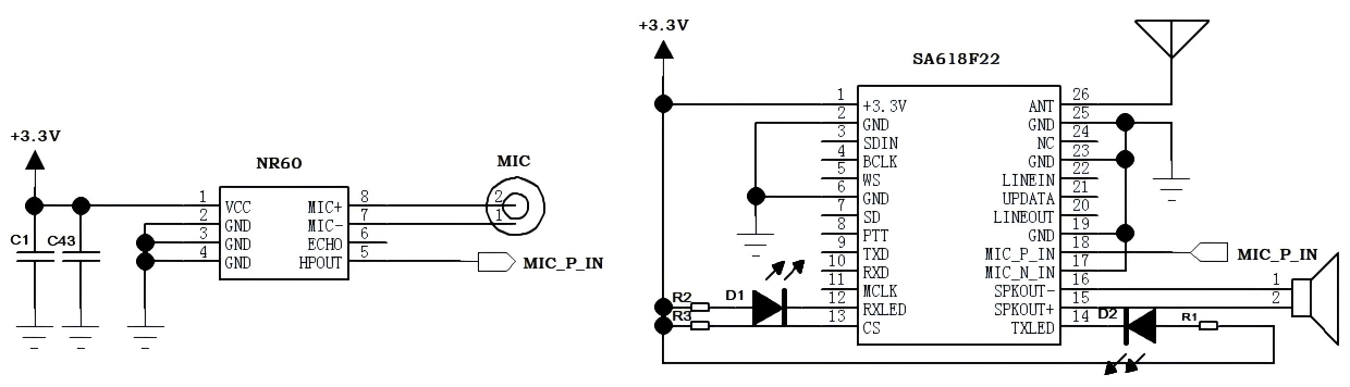
Das NR60-Modul ist ein von NiceRF entwickeltes Audioverarbeitungsmodul , das Rauschunterdrückung und Echounterdrückung integriert.
Parameter | Zustand | Mindest. | Typ. | Max. | Einheit |
Stromversorgung | 3.3 | 5.5 | V | ||
Arbeitstemperatur | - 20 | 25 | 85 | ℃ | |
Stromaufnahme | |||||
Betriebsstrom | 22 | mA | |||
Parameter zur Rauschunterdrückung | |||||
Signal-Rausch- Verhältnis | Verhältnis von Signalleistung zu Hintergrundrauschen | -5< SNR < 0 | |||
Maximale Geräuschunterdrückung | Mikrofon - Umgebungsgeräusche | ≤80 | db | ||
Sprachdistanz | Abstand der Person zum Mikrofon | <10 | cm | ||
Filtert Geräusche wie Dauergeräusche, Musikgeräusche, Windgeräusche, vorübergehende Zufallsgeräusche, mechanische Geräusche und andere Geräusche heraus, die nicht von menschlichen Stimmen stammen.
Die Zeit von der Rauschunterdrückung am MIC-Eingang bis zur HPOUT-Audioausgabe beträgt 76 ms
Abtastrate: 16K, 16 Bit
Online-Bildung
Gesellige Unterhaltung
Verschiedene Szenarien, die eine Filterung von Hintergrundgeräuschen erfordern


Pin Nr | Pin -Name | E/A | Beschreibung |
1 | VCC | Externe Stromversorgung, Pluspol (mindestens 3,3 V, maximal 5,5 V) | |
2,3,4 | GND | Mit der Stromerde verbinden | |
5 | HPOUT | O | Der Audioausgangspin ist normalerweise mit dem MIC_IN- Pin des Produkts des Kunden verbunden . |
6 | ECHO | ICH | Schwimmend |
7 | MIKROFON- | ICH | Negativer Eingangspin des Mikrofons |
8 | MIC+ | ICH | Positiver Eingangspin des Mikrofons |

Datenschutzrichtlinie
· Datenschutzrichtlinie
Derzeit sind keine Inhalte verfügbar
E-Mail: sales@nicerf.com
Tel.:+86-755-23080616