Die Produkte der SA316S-Serie sind in die Sendermodule SA316S-TX und SA316F30 sowie das Empfängermodul SA316S-RX unterteilt. Diese Serie verwendet einen hochwertigen drahtlosen Sprachübertragungschip. Sie unterstützt externe PCM/IIS-Dual-Mode-Digital-Audioschnittstellen und bietet Kunden eine standardisierte serielle Schnittstelle. Anwender können Transceiver-Frequenz, Lautstärke, Mikrofonverstärkung und weitere Parameter des Moduls schnell und einfach über serielle Schnittstellenbefehle einstellen. Dies wird häufig in Situationen eingesetzt, in denen hohe Klangqualität erforderlich ist.
Parameter | Testbedingungen | Min . | Typ . | Max . | Einheit |
Betriebsspannungsbereich | @SA316S-TX, SA316-RX | 2.8 | 3.3 | 3.6 | V |
@SA316F30 | 3.3 | 4.0 | 5,0 | ||
Arbeitstemperaturbereich | -20 | 25 | 60 | ℃ | |
Betriebsfrequenzbereich | @UHF | 500 | 540 | MHz | |
800 | 890 | MHz | |||
890 | 980 | MHz | |||
@VHF | 160 | 270 | MHz | ||
Verzögerung bei Audioübertragung und -empfang | 4 | MS | |||
Baudrate der seriellen Schnittstelle | 9600 | bps | |||
Stromaufnahme | |||||
Schlafenaktuell (SA316-RX) | <0,4 | mA | |||
Schlafstrom | SA316S-TX | 5 | 10 | uA | |
| SA316F30 | < 1,6 | m A | |||
Empfangsstrom (SA316-RX) | @VCC=3,3V | < 115 | m A | ||
Sendestrom (SA316S-TX) | @ Während der Übertragung | < 100 | mA | ||
@Nicht übertragen | <54 | mA | |||
Sendestrom (SA316F30-TX) | @Während der Übertragung, 5 V | < 700 | mA | ||
@ Keine Übertragung, 5 V | <60 | mA | |||
Sendeparameter | |||||
Sendeleistung | @SA316S-TX, VCC = 3,3 V | 9 | 10 | 11 | dBm |
@SA316F30-TX, VCC = 5,0 V | 29 | 30 | 31 | dBm | |
Emissionsbandbreite ( BW) | 300 | KHz | |||
Nachbarkanal-Leistungsverhältnis ( ACPR ) | @600KHZ | -60 | dBc | ||
Maximale Mikrofon-Eingangsspannung | 0,1 | 1.0 | Vrms | ||
Audio-Frequenzgangbereich | 30 | 20.000 | Hz | ||
Empfangsparameter | |||||
Empfangsempfindlichkeit | -96 | dBm | |||
Audioausgangsamplitude (differenziell) | 400 | mVrms | |||
Antriebswiderstand des Audioausgangs | 600 | Ohm | |||
Signal-Rausch-Verhältnis (SNR) | @1KHz | 86 | dB | ||
Gesamte harmonische Verzerrung (THD) | @48KSamplingrate | 0,07 | % | ||
| Typ | Kabelloses Audio |
| Ausgangsleistung | 10 mW |
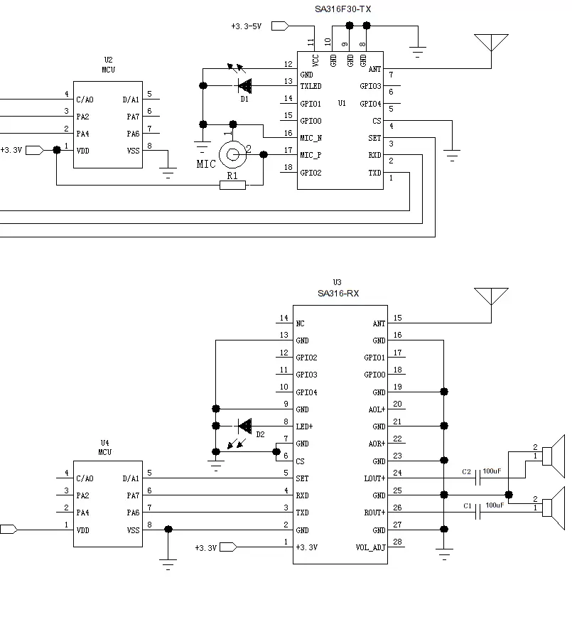
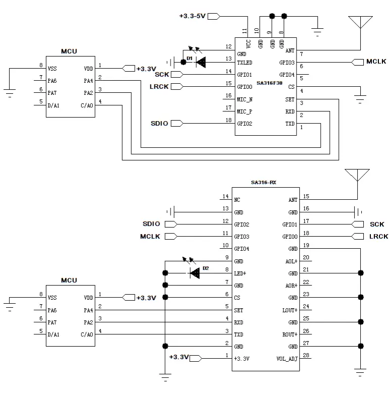
Anwendungsschaltung für analoge Ein- und Ausgänge


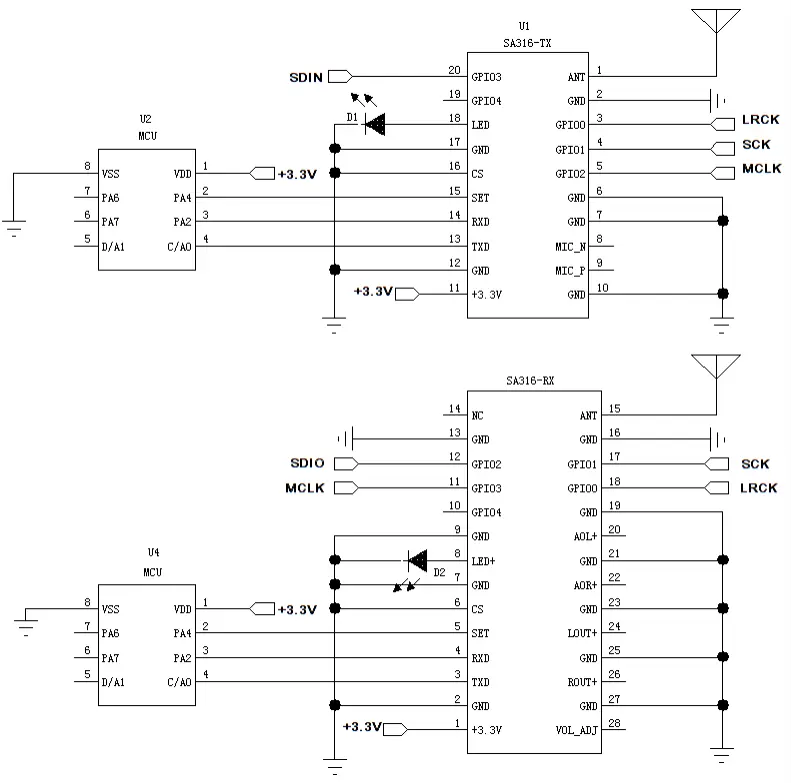
IIS-Ein- und Ausgabeanwendungsschaltung


SA316-TX

| Pin-Nr. | Pin-Name | E/A | Niveaustandard | Beschreibung |
| 1 | AMEISE | 0 | HF-Signalausgang, Anschluss an 50-Ohm-Antenne | |
| 2, 6, 7, 10, 12, 17 | GND | 0 V | An den Minuspol der Stromversorgung anschließen | |
| 3 | GPIO0 | E/A | 0–3,3 V | Der GPIO0 des eingebauten Audiochips kann im I2S-Modus als LRCK konfiguriert werden |
| 4 | GPIO1 | E/A | 0–3,3 V | Der GPIO1 des eingebauten Audiochips kann im I2S-Modus als SCK konfiguriert werden |
| 5 | GPIO2 | E/A | 0–3,3 V | Der GPIO2 des eingebauten Audiochips kann bei Verwendung des I2S-Modus als MCLK konfiguriert werden |
| 8 | MIC_N | ICH | Negatives Ende des Mikrofoneingangs, kann schwebend gelassen werden | |
| 9 | MIC_P | ICH | Positives Ende des Mikrofoneingangs (das beste Signal liegt unter 300 mVrms) | |
| 11 | VCC | +3,3 V | Positiver Stromeingang (2,8 V – 3,6 V, typisch 3,3 V) | |
| 13 | TXD | O | 0–3,3 V | Serielle Datenausgabe |
| 14 | RXD | ICH | 0–3,3 V | Serielle Dateneingabe |
| 15 | SATZ | ICH | 0–3,3 V | Funktion vorübergehend reserviert |
| 16 | CS | ICH | 0–3,3 V | Modul-Schlaf-Pin (Arbeit auf niedrigem Niveau, Schlaf auf hohem Niveau) |
| 18 | LED | O | 0–3,3 V | Ausgangsanzeige, hohe Ausgangsleistung bei Signalübertragung, niedrige Ausgangsleistung bei Nichtübertragung eines Signals |
| 19 | GPIO4 | E/0 | 0–3,3 V | GPIO4 des eingebauten Audiochips |
| 20 | GPIO3 | E/A | 0–3,3 V | Der GPIO3 des eingebauten Audiochips kann im I2S-Modus als SDIN konfiguriert werden |
SA316-F30

Pin-Nr . | Pin-Name | E/A | Niveaustandard | Beschreibung |
1 | TXD | O | 0–3,3 V | Serielle Datenausgabe |
2 | RXD | ICH | 0–3,3 V | Serielle Dateneingabe |
3 | SATZ | ICH | 0–3,3 V | Funktion vorübergehend reserviert |
4 | CS | ICH | 0–3,3 V | Modul-Schlaf-Pin (Arbeit auf niedrigem Niveau, Schlaf auf hohem Niveau) |
5 | GPIO4 | E/0 | 0–3,3 V | GPIO4 des eingebauten Audiochips |
6 | GPIO3 | E/A | 0–3,3 V | Der GPIO3 des eingebauten Audiochips kann im I2S-Modus als SDIN konfiguriert werden |
7 | AMEISE | 0 | HF-Signalausgang , Anschluss an 50-Ohm-Antenne | |
8,9,10,12 | GND | 0 V | An den Minuspol der Stromversorgung anschließen | |
11 | VCC | +3,3–5,0 V | Positiver Stromeingang (+3,3 V – 5,0 V, typisch 4,2 V) | |
13 | TXLED | O | 0–3,3 V | Ausgabeanzeige: Hoch beim Senden, niedrig, wenn nicht. |
14 | GPIO2 | E/A | 0–3,3 V | Verbinden Sie den GPIO2 des Audiochips mit dem I2S-Modus als MCLK. |
15 | GPIO1 | E/A | 0–3,3 V | Verbinden Sie GPIO1 des Audiochips als SCK mit dem I2S-Modus. |
16 | MIC_N | ICH | Negatives Ende des Mikrofoneingangs, mit GND verbinden | |
1 7 | MIC_P | ICH | Positives Ende des Mikrofoneingangs (das beste Signal liegt unter 2,00 mVrms) | |
18 | GPIO0 | E/A | 0–3,3 V | Der GPIO0 des eingebauten Audiochips kann im I2S-Modus als LRCK konfiguriert werden |
SA316-RX

| Pin-Nr. | Pin-Name | E/A | Niveaustandard | Beschreibung |
| 1 | VCC | +3,3 V | Positiver Stromeingang (2,8 V – 3,6 V, typisch 3,3 V) | |
| 2, 7, 9, 13, 16, 19, 21, 23, 25, 27 | GND | 0 V | An den Minuspol der Stromversorgung anschließen | |
| 3 | TXD | O | 0–3,3 V | Serielle Datenausgabe |
| 4 | RXD | ICH | 0–3,3 V | Serielle Dateneingabe |
| 5 | SATZ | ICH | 0–3,3 V | Funktion vorübergehend reserviert |
| 6 | CS | ICH | 0–3,3 V | Modul-Schlaf-Pin (Arbeit auf niedrigem Niveau, Schlaf auf hohem Niveau) |
| 8 | LED | O | 0–3,3 V | Ausgangsanzeige, Ausgang hoch nach Empfang des Signals, niedrig, wenn kein Signal |
| 10 | GPIO4 | E/0 | 0–3,3 V | GPIO4 des eingebauten Audiochips |
| 11 | GPIO3 | E/A | 0–3,3 V | Der GPIO3 des eingebauten Audiochips kann bei Verwendung des I2S-Modus als MCLK konfiguriert werden |
| 12 | GPIO2 | E/A | 0–3,3 V | Der GPIO2 des eingebauten Audiochips kann bei Verwendung des I2S-Modus als SDIO konfiguriert werden |
| 15 | AMEISE | ICH | HF-Signaleingang, Anschluss an 50-Ohm-Antenne | |
| 17 | GPIO1 | E/A | 0–3,3 V | Der GPIO1 des eingebauten Audiochips kann im I2S-Modus als SCK konfiguriert werden |
| 18 | GPIO0 | E/A | 0–3,3 V | Der GPIO0 des eingebauten Audiochips kann im I2S-Modus als LRCK konfiguriert werden |
| 20 | AOL+ | O | Minuspol des Chip-Audioausgangs (bis zu 600 mVrms) | |
| 22 | AOR+ | 0 | Chip-Audioausgang, positiver Anschluss (bis zu 600 mVrms) | |
| 24 | LOUL LOUT+ | O | Der verstärkte Audioausgang ist der linke Kanalausgang, der nach dem Reihenschalten von 100 µF-Kondensatoren direkt Kopfhörer ansteuern kann. | |
| 26 | ROUT+ | O | Der verstärkte Audioausgang ist der rechte Kanalausgang, der die Kopfhörer direkt ansteuern kann, nachdem ein 100 µF-Kondensator in Reihe geschaltet wurde. | |
| 28 | VOL_ADJ | ICH | Schweben lassen |
SA316-TX

SA316-RX

SA316F30-TX

Datenschutzrichtlinie
· Datenschutzrichtlinie
Derzeit sind keine Inhalte verfügbar
E-Mail: sales@nicerf.com
Tel.:+86-755-23080616