Type: (G)FSK Front-End Modules
Certification: FCC ID,IC ID
Modulation: (G)FSK
Chip: nRF24L01+
Interfacce: SPI
Output Power: 1mW
Frequency: 2.4GHz
Größe (mm):22,61*12,89
| Parameter | Mindest | Typ | Max | Einheit | Zustand |
| Betriebszustand | |||||
| Arbeitsspannungsbereich | 1.9 | 3.3 | 3.6 | V | |
| Temperaturspannung | -40 | 85 | ℃ | ||
| Stromverbrauch | |||||
| RX-Strom | 23,5 | 24 | mA | ||
| TX-Strom | 135 | 150 | mA | @20dBm | |
| Schlafstrom | <1 |
| uA |
| |
| RF-Parameter | |||||
| Frequenzbereich | 2400 |
| 2525 | MHz |
|
| Modulationsrate | 250 |
| 2000 | Kbps | GFSK |
| Sendeleistungsbereich | 4 |
| 20 | dBm | Leistung 0=5dBm, 3=20dBm |
| Maximale Sendeleistung | 18,5 | 20 |
| dBm |
|
| Empfangsempfindlichkeit | -100 | -102 |
| dBm | @Daten=250kbps |
| Modulation | (G)FSK |
| Chip | nRF24L01+ |
| Frequenz | 2,4 GHz |
| Ausgangsleistung | 100 mW |
| Zertifizierung | FCC IC, CE-RED, IC ID, TELEC |
| Schnittstelle | SPI |


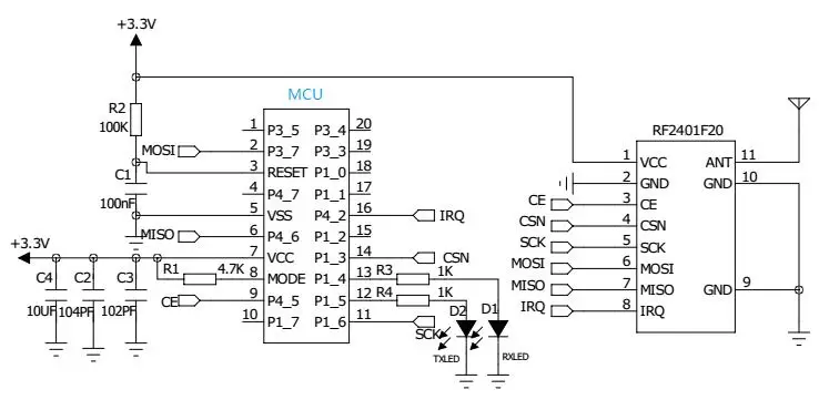
| Pin-Nr. | Pin-Name | Beschreibung |
| 1 | VCC | Positive Stromversorgung (1,9–3,6 V) |
| 2 | GND | Verbinden Sie den Minuspol der Stromversorgung |
| 3 | CE | Chipauswahl zum Aktivieren von Senden oder Empfangen |
| 4 | CSN | SPI-Chipauswahl |
| 5 | SCK | Serieller Takt für SPI-Schnittstelle |
| 6 | MOSI | SPI-Slave-Dateneingang |
| 7 | MISO | SPI-Slave-Datenausgabe |
| 8 | IRQ | Programmierbarer Interrupt-Pin, aktiv niedrig |
| 9 | GND | Verbinden Sie den Minuspol der Stromversorgung |
| 10 | GND | Verbinden Sie den Minuspol der Stromversorgung |
| 11 | AMEISE | Anschluss mit 50-Ohm-Koaxialantenne |

Datenschutzrichtlinie
· Datenschutzrichtlinie
Derzeit sind keine Inhalte verfügbar
E-Mail: sales@nicerf.com
Tel.:+86-755-23080616