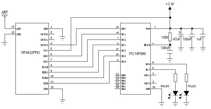
RF4432PRO: Si4432 433MHz CE-RED-zertifiziertes HF-Sender- und Empfängermodul
Type: (G)FSK Front-End Modules
Certification: CE-RED
Modulation: (G)FSK
Chip: si4432
Interfacce: SPI
Output Power: 100mW
Frequency: 433MHz
Größe (mm):17,3*17

German







