Type: (G)FSK Front-End Modules,LoRa Front-End Modules
Certification: FCC ID,IC ID
Modulation: LoRa
Chip: SX1276
Interface: SPI
Output Power: 100mW
Frequency: 915MHz
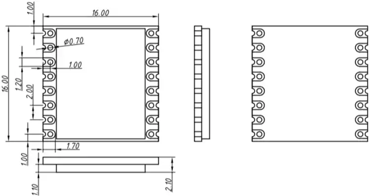
Größe (mm):16*16
★ Durch Anschluss des Instruments an eine 50-Ohm-Kupferachse werden folgende Parameter erreicht: @VCC=3,3 V.
Die drahtlosen Module LoRa1280/Lora1281-TXCO haben die CE- und FCC-Zertifizierung erhalten.

| Parameter | Mindest. | Typ. | Max. | Einheit | Zustand |
| Betriebszustand | |||||
| Betriebspannung | 1.8 | 3.3 | 3.7 | V | |
| Temperaturbereich | -40 | 85 | ℃ | ||
| Stromverbrauch | |||||
RX-Strom | < 12 | mA | @Lora1280-TCXO | ||
| TX-Strom | 28 | 32 | mA | @Vcc=3,3 V, 12,5 dBm @Lora1280-TCXO | |
| Schlafstrom | < 1 | uA | |||
| HF-Parameter | |||||
| Frequenzbereich | 2400 | 2500 | MHz | ||
Datenrate | 0,476 | 202 | Kbps | @LoRa | |
| 260 | 1300 | Kbps | @FLRC | ||
| 125 | 2000 | Kbps | @FSK | ||
| Ausgangsleistung | -18 | 12,5 | dBm | @VCC=3,3V | |
| Empfangsempfindlichkeit | -132 | dBm | LoRa@0,476 Kbps | ||
| Zertifizierung | FCC-ID und CE-RED |
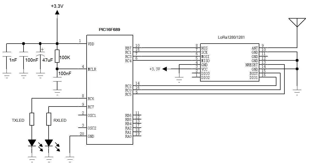
| Schnittstelle | SPI |
| Chip | SX1280/1281 |
| Frequenz | 2,4 GHz |
| Modulation | LoRa |


| Pin Nr | Pin-Name | Beschreibung |
| 1 | DIO2 | Direkt mit dem Chip-Pin verbunden, konfigurierbare Allzweck-IO (weitere Einzelheiten finden Sie in der Chip-Spezifikation SX1280/1281) |
| 2 | DIO3 | Direkt mit dem Chip-Pin verbunden, konfigurierbare Allzweck-IO (weitere Einzelheiten finden Sie in der Chip-Spezifikation SX1280/1281) |
| 3 | VCC | Anschluss an den Pluspol der Stromversorgung (1,8-3,7V) |
| 4 | Masse | Mit dem Minuspol verbunden |
| 5 | MISO | SPI-Datenausgangspin |
| 6 | MOSI | SPI-Dateneingangspin |
| 7 | SCK | SPI-Takteingangspin |
| 8 | NSS | Modul-Chip-Auswahl-Pin |
| 9 | AMEISE | Anschluss mit 50 Ohm Koaxialantenne |
| 10,11,12 | Masse | Mit dem Minuspol verbunden |
| 13 | NRESET | Chip-Reset-Trigger-Pin, aktiv niedrig |
| Hinweis: Bei den Modulen Lora1280 und Lora1281 ist PIN 14 GND | ||
| 14 | Masse | Mit dem Minuspol verbunden |
| Hinweis: Beim Lora1280-TCXO-Modul ist PIN 14 TCXOEN | ||
| 14 | TCXOEN | TCXO einschalten: 1. Setzen Sie den TCXOEN-Pin auf High-Pegel, bevor Sie SX1280 zurücksetzen. 2. Warten Sie mindestens 3 ms, bis TCXO hochfährt. 3. Während der Verwendung des 1280-Moduls muss TCXOEN auf High-Pegel bleiben. TCXO ausschalten (wenn das Modul in den Ruhemodus wechseln muss): 1. Rufen Sie die Funktion SetSleep() auf, um das Modul in den Ruhemodus zu versetzen. 2. Warten Sie mindestens 1 ms, bis das Modul in den Ruhemodus wechselt. 3. Setzen Sie den TCXOEN-Pin auf Low-Pegel, um TCXO auszuschalten. |
| 15 | BESCHÄFTIGT | Statusanzeige-Pin (weitere Einzelheiten finden Sie in der Spezifikation SX1280/1281) |
| 16 | DIO1 | Direkt mit dem Chip-Pin verbunden, konfigurierbarer Allzweck-IO (Details siehe Chip-Spezifikation SX1280/1281)) |

Datenschutzrichtlinie
· Datenschutzrichtlinie
Derzeit sind keine Inhalte verfügbar
E-Mail: sales@nicerf.com
Tel.:+86-755-23080616