Type: LoRa Front-End Modules
Certification: CE-RED
Modulation: LoRa
Chip: SX1276
Interface: SPI
Output Power: 100mW
Frequency: 868MHz
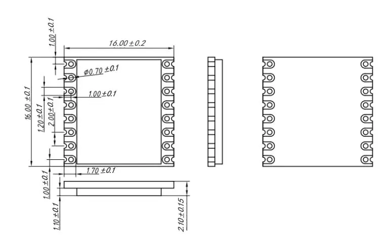
Größe (mm):16*16
| Parameter | Mindest | Typ. | Max. | Einheit | Zustand |
| Betriebszustand | |||||
| Betriebsspannung | 1.8 | 3.3 | 3.7 | V | |
| Temperaturbereich | -40 | 85 | °C | ||
| Stromverbrauch | |||||
| RX-Strom | 10.8 | mA | |||
| TX-Strom | 120 | mA | @20dBm | ||
| Schlafstrom | 1 | uA | |||
| RF-Parameter | |||||
| Frequenzbereich | 900 | 915 | 940 | MHz | @915MHz |
| Datenrate | 1.2 | 300 | Kbps | FSK | |
| 0,018 | 37,5 | Kbps | LoRa | ||
| Ausgangsleistung | -1 | 20 | dBm | ||
| Empfangsempfindlichkeit | -123 | dBm | @FSK-Daten=1,2 kbps, Fdev=10 kHz | ||
| -139 | dBm | @LoRa BW=125KHz_SF = 12_CR=4/5 | |||
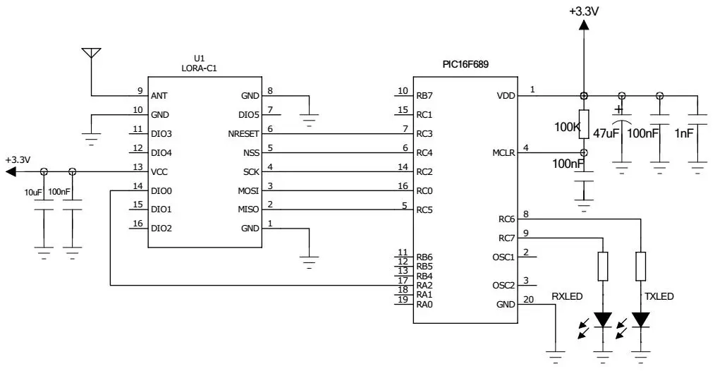
| Schnittstelle | SPI |
| Chip | SX1276 |
| Frequenz | 915 MHz |
| Modulation | LoRa |
| Ausgangsleistung | 100 mW |
| Zertifizierung | FCC-ID, IC-ID |



| Pin-Nr. | Pin-Name | Beschreibung |
| 1 | GND | Stromerdung |
| 2 | MISO | SPI-Ausgang für SPI-Daten |
| 3 | MOSI | SPI-Eingang für SPI-Daten |
| 4 | SCK | Serieller Takt für SPI-Schnittstelle |
| 5 | NSS | SPI aktivieren |
| 6 | NRESET | Reset-Eingang |
| 7 | DIO5 | Digitaler I/O, anpassbar |
| 8 | GND | Stromerdung |
| 9 | AMEISE | Anschluss mit 50 Ohm Koaxialantenne |
| 10 | GND | Stromerdung |
| 11 | DIO3 | Digitaler I/O, anpassbar |
| 12 | DIO4 | Digitaler I/O, anpassbar |
| 13 | VCC | Angeschlossene Stromversorgung (Standard 3,3 V) |
| 14 | DIO0 | Digitaler I/O, anpassbar |
| 15 | DIO1 | Digitaler I/O, anpassbar |
| 16 | DIO2 | Digitaler I/O, anpassbar |

Datenschutzrichtlinie
· Datenschutzrichtlinie
Derzeit sind keine Inhalte verfügbar
E-Mail: sales@nicerf.com
Tel.:+86-755-23080616