Type: (G)FSK Front-End Modules,LoRa Front-End Modules
Certification: FCC ID,IC ID
Modulation: LoRa
Chip: SX1276
Interface: SPI
Output Power: 100mW
Frequency: 915MHz
Größe (mm):16*16
| Parameter | Mindest. | Typ. | Max. | Einheit | Zustand |
| Betriebszustand | |||||
| Betriebsspannung | 1.8 | 3.3 | 3.7 | V | |
| Temperaturbereich | -40 | 25 | 85 | ℃ | |
| Stromverbrauch | |||||
| RX-Strom | < 6,5 | mA | @TCXO-Kristall (Standard 2,8 V, 1,8 V optional) | ||
| < 5 | mA | @ Quarzoszillator | |||
| TX-Strom | < 130 | mA | @868MHz @915MHz | ||
| Schlafstrom | 1.9 | uA | OFF-Modus (SLEEP-Modus mit Kaltstart) Alle Blöcke aus | ||
| 2.3 | uA | SLEEP-Modus (SLEEP-Modus mit Warmstart) Konfiguration bleibt erhalten | |||
| 2.9 | uA | SLEEP-Modus (SLEEP-Modus mit Warmstart) Konfiguration bleibt erhalten + RC64k | |||
| 0,56 | mA | STDBY_RC-Modus , RC13M, XOSC AUS | |||
| 2,35 | mA | STDBY_XOSC-Modus , XOSC EIN | |||
| RF-Parameter | |||||
| Frequenzbereich | 900 | 915 | 940 | MHz | @915MHz |
| Ausgangsleistung | -15 | 22 | dBm | ||
| Empfangsempfindlichkeit | -133 | dBm | @LoRa BW=125KHz_SF = 10_CR=4/5 | ||
| Schnittstelle | SPI |
| Chip | SX1262 |
| Frequenz | 915 MHz |
| Modulation | LoRa |
| Ausgangsleistung | 160 mW |
| Zertifizierung | FCC-ID |


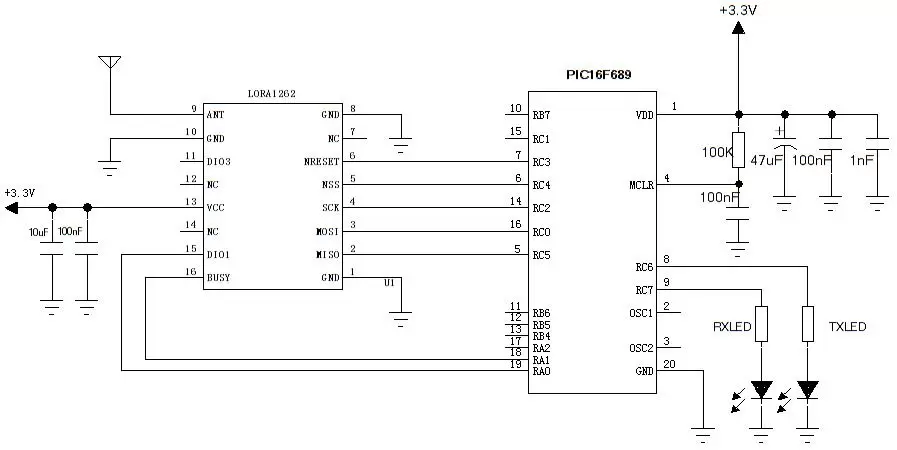
| Pin-Nr. | Pin-Name | Beschreibung |
| 1 | GND | Stromerdung |
| 2 | MISO | SPI-Ausgang für SPI-Daten |
| 3 | MOSI | SPI-Eingang für SPI-Daten |
| 4 | SCK | Serieller Takt für SPI-Schnittstelle |
| 5 | NSS | SPI aktivieren |
| 6 | NRESET | Reset-Eingang |
| 7, 12, 14 | NC | Leer |
| 8 | GND | Stromerdung |
| 9 | AMEISE | Anschluss mit 50 Ohm Koaxialantenne |
| 10 | GND | Stromerdung |
| 11 | DIO3 | Digitale E/A |
| 13 | VCC | Angeschlossene Stromversorgung (Standard 3,3 V) |
| 15 | DIO1 | Digitale E/A |
| 16 | BESCHÄFTIGT | Wird zur Statusanzeige verwendet, Einzelheiten finden Sie im Datenblatt. |

Datenschutzrichtlinie
· Datenschutzrichtlinie
Derzeit sind keine Inhalte verfügbar
E-Mail: sales@nicerf.com
Tel.:+86-755-23080616