Typ: LoRa-Frontend-Module
Zertifizierung: CE-RED
Modulation: LoRa
Chip: LLCC68
Schnittstelle: SPI
Ausgangsleistung: 160 mW
Frequenz: 868 MHz
Größe (mm):16*16
★Hinweis: Das Standardliefermodul verwendet einen 10-ppm-Industriequarzoszillator, der TCXO-Quarzoszillator ist für besondere Anforderungen optional:
| Parameter | Mindest. | Typ. | Max. | Einheit | Zustand |
| Betriebsbedingung (Vcc = 3,3 V, ANT @ 50 Ohm) | |||||
| Betriebspannung | 1.8 | 3.3 | 3.7 | V | |
| Temperaturbereich | -40 | 25 | 85 | ℃ | |
| Stromverbrauch | |||||
| RX-Strom | < 5 | mA | @10ppm Quarzoszillator | ||
| TX-Strom | < 130 | mA | @868MHz @915MHz | ||
| < 110 | mA | @433MHz @490MHz | |||
| Schlafstrom | 1.9 | uA | OFF-Modus (SLEEP-Modus mit Kaltstart) Alle Blöcke aus | ||
| 2.3 | uA | SLEEP-Modus (SLEEP-Modus mit Warmstart) Konfiguration bleibt erhalten | |||
| 2.9 | uA | SLEEP-Modus (SLEEP-Modus mit Warmstart) Konfiguration bleibt erhalten + RC64k | |||
| 0,56 | mA | STDBY_RC-Modus, RC13M, XOSC AUS | |||
| 2,35 | mA | STDBY_XOSC-Modus, XOSC EIN | |||
| HF-Parameter | |||||
| Frequenzbereich | 400 | 433 | 450 | MHz | @433MHz |
| 470 | 490 | 510 | MHz | @490MHz | |
| 848 | 868 | 888 | MHz | @868MHz | |
| 900 | 915 | 940 | MHz | @915MHz | |
| Ausgangsleistung | -15 | 22 | dBm | ||
| Empfangsempfindlichkeit | -129 | dBm | @LoRa BW=250KHz_SF = 10_CR=4/5 | ||
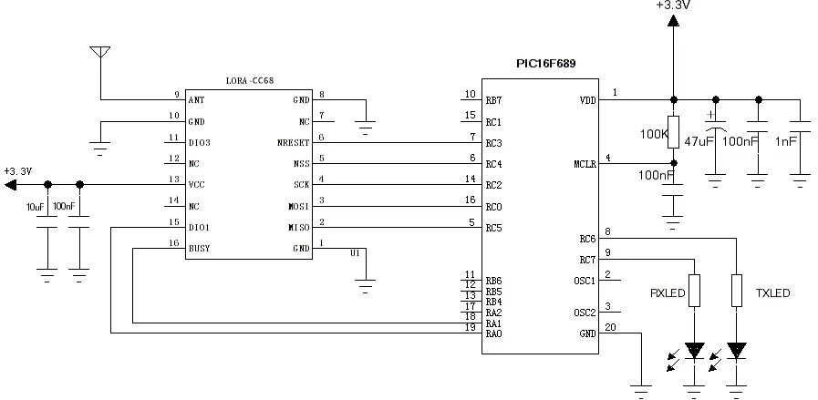
| Schnittstelle | SPI |
| Chip | LLCC68 |
| Frequenz | 433 MHz, 470 MHz, 868 MHz, 915 MHz |
| Modulation | LoRa |
| Ausgangsleistung | 160 mW |
| Zertifizierung | FCC-ID, CE-RED |


| Pin-Nr. | Pin-Name | Beschreibung |
| 1 | Masse | Stromerdung |
| 2 | MISO | SPI-Ausgang |
| 3 | MOSI | SPI-Eingang |
| 4 | SCK | Serielle Uhr |
| 5 | NSS | SPI aktivieren |
| 6 | NRESET | Reset-Eingang |
| 7, 12, 14 | NC | Leer |
| 8 | Masse | Stromerdung |
| 9 | AMEISE | Anschluss mit 50 Ohm Antenne |
| 10 | Masse | Stromerdung |
| 11 | DIO3 | Kann als Interrupt-Signalanzeige angepasst werden, Details im Chip-Datenblatt (Hinweis: Ausgabe zur Steuerung von TCXO, wenn ein TCXO-Kristall verwendet wird) |
| 13 | VCC | Stromversorgung (Standard 3,3 V) |
| 15 | DIO1 | Kann als Interrupt-Signalanzeige angepasst werden, Details im Chip-Datenblatt |
| 16 | BESCHÄFTIGT | Wird zur Statusanzeige verwendet, Einzelheiten finden Sie im Datenblatt. |

Datenschutzrichtlinie
· Datenschutzrichtlinie
Derzeit sind keine Inhalte verfügbar
E-Mail: sales@nicerf.com
Tel.:+86-755-23080616