Type: LoRa Front-End Modules
Certification: CE-RED
Modulation: LoRa
Chip: SX1262
Interface: SPI
Output Power: 160mW
Frequency: 868MHz
Größe (mm):16*16
Das LoRa1121-Modul nutzt den LR1121-Chip von SEMTECH, einen extrem stromsparenden Transceiver mit großer Reichweite, der sowohl das globale ISM-Band als auch 2,4 GHz unterstützt. Der LoRa1121 unterstützt LoRa- und (G)FSK-Modulation im Sub-GHz- und 2,4-GHz-Band sowie Sigfox®-Modulation im Sub-GHz-Band und Long-Range Frequency Hopping Spread Spectrum (LR-FHSS) im Sub-GHz-, 1,9-2,1-GHz- und 2,4-GHz-ISM-Band. Der LR1121 erfüllt die Anforderungen der physikalischen Schicht der von der LoRa Alliance® veröffentlichten LoRaWAN®-Spezifikationen und ist gleichzeitig hochgradig konfigurierbar, um die Anforderungen verschiedener Anwendungen und proprietärer Protokolle zu erfüllen.
LoRa1121 wird ausschließlich unter Verwendung bleifreier Verfahren hergestellt und getestet und entspricht den RoHS- und REACH-Standards. LoRa1121 ist FCC- und CE-zertifiziert.
Sub-GHz-Bänder: 433/470 MHz/868/915 MHz
Anpassbarer Frequenzbereich: 150~960 MHz2,4G-Band: 2400–2500 MHz
S-Band: 1900 MHz – 2200 MHz
S-Band-Empfindlichkeit: bis zu -132 dBm bei BW=125 KHz, SF=12
2,4 GHz Empfangsempfindlichkeit: bis zu -129 dBm bei BW = 406 KHz, SF = 7
Sub-GHz-Empfangsempfindlichkeit: bis zu -144 dBm bei BW = 62,5 kHz, SF = 12
Eingebaute elektrostatische Schutzschaltung
Unterstützt LR-FHSS
Unterstützt LoRaWAN- und Sigfox-Protokoll
Unterstützt AES-128-Verschlüsselung und -Entschlüsselung
Die Sendeleistung ist einstellbar, bis zu 22 dBm
Ruhestrom ≤ 1µA
Empfangsstrom < 7 mA
Kleine Größe, Stempellochdesign
Drohnen
Intelligentes Zuhause
Intelligente Landwirtschaft
Fernbewässerung
Industrielle Fertigung


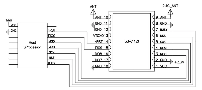
Pin-Nr. | Pin-Name | E/A | Beschreibung |
1 | VCC | An die positive Stromversorgung anschließen. | |
2,8 ,11 ,12 | GND | An die negative Stromversorgung anschließen. | |
3 | MISO | O | SPI-Datenausgabe |
4 | MOSI | ICH | SPI-Dateneingabe |
5 | SCK | ICH | SPI-Takteingang |
6 | NSS | ICH | SPI-Chip-Select-Eingang |
7 | BESCHÄFTIGT | O | Wird zur Statusanzeige verwendet. Weitere Informationen finden Sie im Chip-Datenblatt. |
9 | 2.4/S_ANT | 2,4G- und S-Band-Antennenschnittstelle, externe 50-Ohm-Antenne. | |
10 | ANTA ANT | @Sub-GHz-Band-Antennenschnittstelle, externe 50-Ohm-Antenne. | |
13 | VTCXO | O | Kann einen externen TCXO mit Strom versorgen. |
14 | RST | ICH | Triggereingang zurücksetzen, Einzelheiten finden Sie im Chip-Datenblatt. |
15 | DIO9 | IO | Digitale Mehrzweckschnittstelle, Einzelheiten finden Sie im Chip-Datenblatt. |
16 | DIO8 | IO | Digitale Mehrzweckschnittstelle, Einzelheiten finden Sie im Chip-Datenblatt. |
17 | DIO7 | IO | Digitale Mehrzweckschnittstelle, Einzelheiten finden Sie im Chip-Datenblatt. |

Datenschutzrichtlinie
· Datenschutzrichtlinie
Derzeit sind keine Inhalte verfügbar
E-Mail: sales@nicerf.com
Tel.:+86-755-23080616