Typ: Kabelloses Audio
Zertifizierung: Andere
Ausgangsleistung: 1W
Size (mm):39,3 mm x 24 mm
Das SA618F30-FD ist ein hochintegriertes, kostengünstiges und leistungsstarkes 8-Kanal-Vollduplex-Datenübertragungsmodul. Es verfügt über einen integrierten Hochgeschwindigkeits-Mikrocontroller, einen leistungsstarken HF-Transceiver-Chip und einen HF-Leistungsverstärker. Das Modul bietet einen seriellen Standardanschluss für die Kommunikation und ermöglicht so eine einfache und schnelle Parametereinstellung sowie die Steuerung der Sende-/Empfangsfunktionen. Die Datenübertragung erfolgt einfach durch Anschluss des Moduls an den seriellen Anschluss. Die ultrakompakte Bauform ermöglicht die einfache und schnelle Integration in verschiedene Handheld-Geräte und verbessert die Gesamtleistung von Endgeräten, wodurch das Modul vielseitig einsetzbar ist.
SA618F30-FD ist ein 8-Wege-Vollduplex-Funkdatenkommunikationsmodul, das bis zu 8 Sender gleichzeitig und ohne gegenseitige Störungen senden lässt. Es ist für Szenarien konzipiert, in denen mehrere Sender gleichzeitig in komplexen Umgebungen arbeiten. Dadurch wird die Wahrscheinlichkeit von erneuten Übertragungen minimiert und Interferenzen sowie das Störungsrisiko deutlich reduziert. Die Kombination aus LoRa-Modulation mit 1 W Ausgangsleistung und dem stromsparenden Design für Empfangs- und Ruhemodus macht es ideal für drahtlose IoT-Anwendungen über große Entfernungen.
Parameter | Testbedingungen | Mindest | Typ | Max | Einheit |
Betriebsspannung | 3.3 | 4.2 | 5.5 | V | |
Arbeitstemperatur | -30 | 25 | 70 | ℃ | |
Stromaufnahme | |||||
Schlafstrom | 10 | 20 | uA | ||
Aktuellen Empfang | 50 | 55 | mA | ||
Sendestrom (hohe Leistung) | 4 V, bei 30 dBm | 450 | 500 | mA | |
HF-Parameter | |||||
Betriebsfrequenz | UHF | 410 | 490 | MHz | |
Anpassbare Frequenz | 150 | 960 | MHz | ||
Standardversandhäufigkeit | UHF (Intervall 1 MHz) | 440.125 | 455.125 | MHz | |
Sendeleistung | @5V | 16 | 32 | dBm | |
Bandbreite ( BW) | 500 | KHz | |||
Empfangsempfindlichkeit | -117 | dBm | |||
Datenübertragungsparameter | |||||
Maximale Paketlänge | 20 | Byte | |||
Latenzparameter | 8 Kanäle | 50 | MS | ||
Frequenzband 410–480 MHz (anpassbar 150–960 MHz)
Bis zu 8 Geräte können gleichzeitig senden (keine Empfangsbeschränkung)
8-fach dynamische Änderungen
Unterstützt OTA und serielles Upgrade
3–4 km Übertragungsreichweite im offenen Bereich
Hohe Empfangsempfindlichkeit: -117 dBm
Hochintegriert und kompakte Größe
AGV-Auto
Turmdrehkrananlage
Mehrkanalige Vollduplex-Datenübertragungsanwendungen



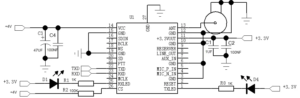
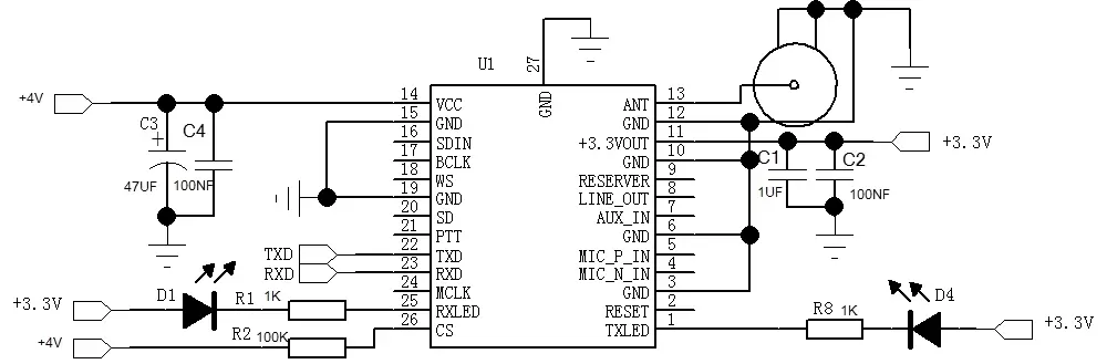
Pin-Nr. | Pin-Name | E/A | Beschreibung |
1 | TXLED | O | Sendeanzeige, verbunden mit externer LED, Einschalten durch Low-Level-Ausgang bei Datenübertragung, (1K Ohm Widerstand zur Strombegrenzung empfohlen) |
2 | ZURÜCKSETZEN | ICH | Modul-Reset-Pin: Ziehen Sie ihn länger als 5 ms setzen das Modul zurück |
3,6,10,12,15,19 | Masse | Mit der Masse der Stromversorgung verbinden | |
4 ,5 ,7 ,8 | NC | ||
9 | RESERVIERT | Modulteststift: Unbeschaltet lassen (schwebend) für Benutzer | |
11 | +3,3 VAUSGANG | 3,3-V-Ausgang, kann eine externe Last antreiben von bis zu 50mA | |
13 | AMEISE | HF-Signalausgang, Anschluss an eine 50-Ohm-Antenne | |
14 | VCC | An die positive Stromversorgung anschließen (extern 3,3V bis 5,5V) | |
16,17,18,20,21 | NC | ||
22 | TXD | O | Sendepin für serielle Schnittstelle des Moduls (Spannung 0–3,3 V) |
23 | RXD | ICH | Empfangspin des seriellen Modulanschlusses (Spannung 0–3,3 V) |
24 | NC | ||
25 | RXLED | O | Externe Empfangsanzeige: Leuchtet schwach, normaler Hochpegelausgang (erfordert einen externen Strombegrenzungswiderstand von ca. 1K Ohm) |
26 | CS | ICH | Modul-Sleep-Pin: High-Pegel für Betrieb, Low-Pegel für sleep.Intern hochgezogen, standardmäßig auf hohes Niveau 。 |

Datenschutzrichtlinie
· Datenschutzrichtlinie
Derzeit sind keine Inhalte verfügbar
E-Mail: sales@nicerf.com
Tel.:+86-755-23080616