Typ: Kabelloses Audio
Zertifizierung: Andere
Ausgangsleistung: 1W
Größe (mm):39,3 mm x 24 mm
Parameter | Testbedingungen | Mindest. | Typ. | Max. | Einheit |
Betriebsspannung |
| 3.3 | 4.2 | 5.5 | V |
Arbeitstemperatur |
| -30 | 25 | 70 | ℃ |
Stromaufnahme | |||||
Schlafstrom |
|
| 10 | 20 | uA |
RX-Strom | @ Keine Audioausgabe |
| 50 | 55 | mA |
@8Ω, 1W Audioausgang |
|
|
| ||
TX-Strom | 4 V, bei 30 dBm |
| 450 | 550 | mA |
HF-Parameter | |||||
Betriebsfrequenz | UHF | 410 |
| 490 | MHz |
Anpassbare Frequenz |
| 150 |
| 960 | MHz |
Standardfrequenzwert für 16 Kanäle | UHF (1-MHz-Intervall) | 440.125 |
| 455.125 | MHz
|
Sendeleistung | @5V | 16 |
| 32 | dBm |
Bandbreite (BW) |
|
| 500 |
| KHz |
Empfangsempfindlichkeit |
|
| -117 |
| dBm |
Audioparameter | |||||
Modulationsempfindlichkeit |
|
| 10 | 100 | mV |
Empfangs-Signal-Rausch-Verhältnis (SNR) |
|
| 90 |
| dB |
Frequenzgang |
| 60 |
| 3800 | Hz |
Audioausgang (Line-Out) | Last 16 Ω |
|
| 40 | mW |
Verzögerungsparameter | 2 Kanäle | 80 | 100 | 120 | MS |
3 Kanäle | 120 | 160 | 180 | MS | |
4 Kanäle | 160 | 200 | 240 | MS | |
6 Kanäle | 240 | 300 | 360 | MS | |
8 Kanäle | 320 | 400 | 480 | MS | |
| Typ | drahtloses Audio |
| Ausgangsleistung | 1 W |
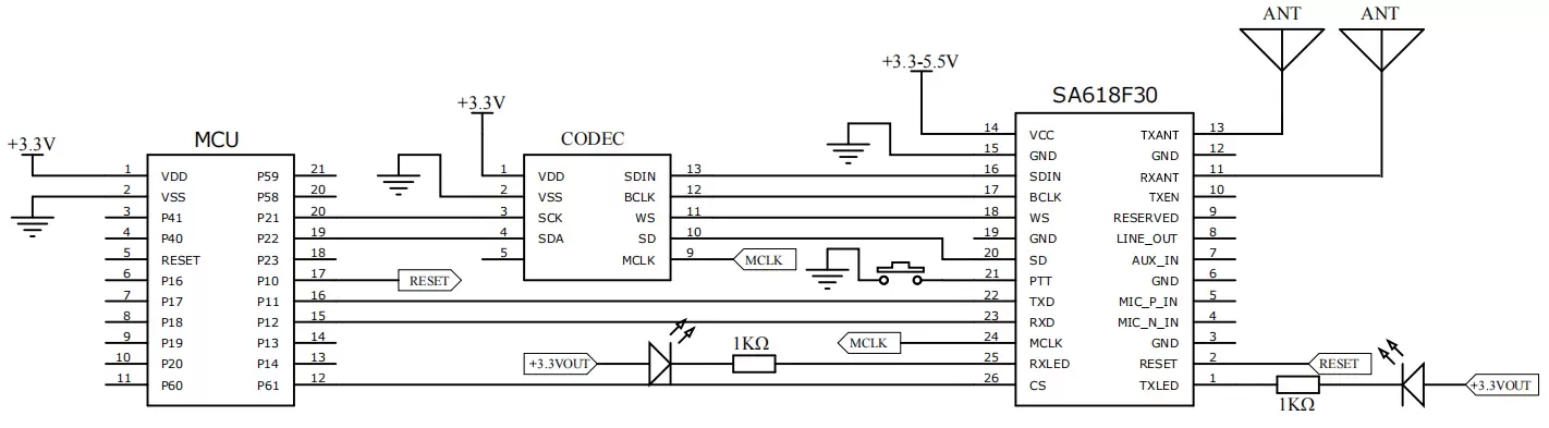
n Eine analoge Eingangs-Analogausgangs-Anwendungsschaltung

n I2S-Ein- und Ausgangsanwendungsschaltung


Pin-Nr. | Pin-Name | E/A | Beschreibung |
1 | TXLED | O | Die Sendeanzeige ist mit einer externen LED verbunden und wird durch einen niedrigen Ausgangspegel eingeschaltet, wenn Daten oder Sprache übertragen werden (zur Strombegrenzung wird ein 1-kOhm-Widerstand empfohlen). |
2 | ZURÜCKSETZEN | ICH | Modul-Reset-Pin, externes Herunterziehen für mehr als 5 ms setzt das Modul zurück |
3,6,10, 12,14,15,19 | Masse | An den Minuspol der Stromversorgung anschließen | |
4 | MIC_N_IN | ICH | Negative Elektrode des externen Mikrofons, in Reihe geschaltet mit 220 nH Induktivität, siehe unten stehenden typischen Schaltkreis. |
5 | MIC_P_IN | ICH | Positive Elektrode des externen Mikrofons, in Reihe geschaltet mit 220 nH Induktivität, siehe unten stehenden typischen Schaltkreis. |
7 | AUX_IN | ICH | Line-In und Mikrofoneingang |
8 | LINE_OUT | O | Verbunden mit 16 Ω Ohrhörern |
9 | RESERVIERT | NC | |
10 | TXEN | O | Sendefreigabe-Pin, gibt beim Senden einen hohen Pegel (3,3 V) und beim Empfangen einen niedrigen Pegel aus |
11 | RXANT | O | HF-Signaleingang für den Empfang, Anschluss an 50-Ohm-Antenne |
13 | TXANT | O | HF-Signalausgang zur Übertragung, Anschluss an 50-Ohm-Antenne |
14 | VCC | Stromversorgung ( 3,3 – 5,5 V ) | |
16 | SDIN | ICH | Verbunden mit externem I2S-Gerät, (0 – 3,3 V) |
17 | BCLK | O | |
18 | WS | O | |
20 | SD | O | |
21 | PTT | ICH | Zum Sprechen drücken, zum Einschalten des Sendemodus nach unten ziehen, zum Einschalten des Empfangsmodus nach oben ziehen oder offen lassen, intern nach oben ziehen, |
22 | TXD | O | Serielle Kommunikation |
23 | RXD | ICH | Serielle Kommunikation |
24 | MCLK | O | Verbunden mit externem I2S-Gerät (0–3,3 V) |
25 | RXLED | O | Empfangsanzeige, verbunden mit externer LED, schaltet sich durch Niedrigpegelausgang ein, wenn Daten oder Sprache empfangen werden (1K-Ohm-Widerstand zur Strombegrenzung empfohlen) |
26 | CS | ICH | Schwebender Eingang, niedriger Pegel zum Einschalten des Ruhezustands |

Datenschutzrichtlinie
· Datenschutzrichtlinie
Derzeit sind keine Inhalte verfügbar
E-Mail: sales@nicerf.com
Tel.:+86-755-23080616