SA618F30-DZ: 1 W 8 Dual-Antennen-Multi-Level-Relais 8K-Abtastrate-Audiomodul Vollduplex mit ESD-Schutz
Typ: Kabelloses Audio
Zertifizierung: Andere
Ausgangsleistung: 1W
Größe (mm):39,3*24,0
| Parameter | Testbedingungen | Mindest. | Typ. | Max. | Einheit |
| Betriebsspannung | 3.3 | 4.2 | 5.5 | V | |
| Arbeitstemperatur | -30 | 25 | 70 | ℃ | |
| Stromaufnahme | |||||
| Schlafstrom | 10 | 20 | uA | ||
| RX-Strom | @ Keine Audioausgabe | 50 | 55 | mA | |
| @8Ω, 1W Audioausgang | |||||
| TX-Strom | 4 V, bei 30 dBm | 450 | 550 | mA | |
| HF-Parameter | |||||
| Betriebsfrequenz | UHF | 410 | 480 | MHz | |
| Anpassbare Frequenz | 150 | 960 | MHz | ||
| Standardfrequenzwert für 16 Kanäle | UHF (1-MHz-Intervall) | 440.125 | 455.125 | MHz | |
| Sendeleistung | @5V | 16 | 32 | dBm | |
| Bandbreite (BW) | 500 | KHz | |||
| Empfangsempfindlichkeit | -117 | dBm | |||
| Audioparameter | |||||
| Modulationsempfindlichkeit | 10 | 100 | mV | ||
| Empfangs-Signal-Rausch-Verhältnis (SNR) | 90 | dB | |||
| Frequenzgang | 60 | 3800 | Hz | ||
| Audioausgang (Line-Out) | Last 16 Ω | 40 | mW | ||
| Verzögerungsparameter | 2 Kanäle | 80 | 100 | 120 | MS |
| 3 Kanäle | 120 | 160 | 180 | MS | |
| 4 Kanäle | 160 | 200 | 240 | MS | |
| 6 Kanäle | 240 | 300 | 360 | MS | |
| 8 Kanäle | 320 | 400 | 480 | MS | |
| Typ | drahtloses Audio |
| Ausgangsleistung | 1 W |
Merkmale
Anwendungen
Analoge Eingangs- und Ausgangsanwendungsschaltung

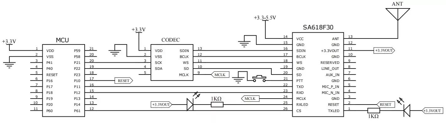
I2S-Ein- und -Ausgangsanwendungsschaltung


| Pin-Nr. | Pin-Name | E/A | Beschreibung |
| 1 | TXLED | O | Die Sendeanzeige ist mit einer externen LED verbunden und wird durch einen niedrigen Ausgangspegel eingeschaltet, wenn Daten oder Sprache übertragen werden (zur Strombegrenzung wird ein 1-kOhm-Widerstand empfohlen). |
| 2 | RST | ICH | Modul-Reset-Pin, externes Herunterziehen für mehr als 5 ms setzt das Modul zurück |
| 3, 6, 10, 12,15,19 | Masse | Boden | |
| 4 | MIC_N_IN | ICH | Negative Elektrode des externen Mikrofons, in Reihe geschaltet mit 220 nH Induktivität, siehe unten stehenden typischen Schaltkreis. |
| 5 | MIC_P_IN | ICH | Positive Elektrode des externen Mikrofons, in Reihe geschaltet mit 220 nH Induktivität, siehe unten stehenden typischen Schaltkreis. |
| 7 | Aux_IN | ICH | Line-In und Mikrofoneingang |
| 8 | LINE_OUT | O | Verbunden mit 16 Ω Ohrhörern |
| 9 | Reserviert | NC | |
| 11 | +3,3 V Ausgang | O | 3,3 V Reglerausgang, maximale Belastung 50 mA |
| 13 | AMEISE | Verbunden mit 50-Ohm-Antenne | |
| 14 | VCC | Stromversorgung ( 3,3 – 5,5 V ) | |
| 16 | SDIN | ICH | Verbunden mit externem I2S-Gerät, (0 – 3,3 V) |
| 17 | BCLK | O | |
| 18 | WS | O | |
| 20 | SD | O | |
| 21 | PTT | ICH | Zum Sprechen drücken, zum Einschalten des Sendemodus nach unten ziehen, zum Einschalten des Empfangsmodus nach oben ziehen oder offen lassen, intern nach oben ziehen, |
| 22 | TXD | O | Serielle Kommunikation |
| 23 | RXD | ICH | Serielle Kommunikation |
| 24 | MCLK | O | Verbunden mit externem I2S-Gerät (0–3,3 V) |
| 25 | RXLED | O | Empfangsanzeige, verbunden mit externer LED, schaltet sich durch Niedrigpegelausgang ein, wenn Daten oder Sprache empfangen werden (1K-Ohm-Widerstand zur Strombegrenzung empfohlen) |
| 26 | CS | ICH | Schwebender Eingang, niedriger Pegel zum Einschalten des Ruhezustands |
Dicke: 3,2 mm

Datenschutzrichtlinie
· Datenschutzrichtlinie
Derzeit sind keine Inhalte verfügbar
E-Mail: sales@nicerf.com
Tel.:+86-755-23080616