Typ: GPS
Zertifizierung: Andere
Größe (mm):9,9*10,1
Das GPS01-TD-Modul ist ein Quad-Mode-Mini-GPS-Modul, das BDS/GPS/GLONASS/Galileo/QZSS/SBAS sowie BeiDou B3 vollständig unterstützt und dem Benutzer hochwertige, stark störungsfreie und stromsparende Positionierungs- und Navigationslösungen bietet.






| Parameter | Beschreibung | Minimum | Typisch | Maximal | Einheit | Zustand |
| Betriebsbedingungen | ||||||
| Betriebsspannungsbereich | VCC | 3.0 | 3.3 | 3.5 | V | |
| V_BCKP | 2.5 | 3.3 | 3.5 | V | ||
| Temperaturbereich | Arbeiten | -40 | 85 | ℃ | ||
| Lagerung | -40 | 125 | ℃ | |||
| Stromaufnahme | ||||||
| Aktuellen Empfang | < 35 | mA | @Dual-Modus, VCC = 3,3 V, V_BCKP = 3,3 V | |||
| Schlafstrom | < 25 | uA | VCC = 0 V, V_BCKP = 3,3 V | |||
| Radiofrequenzparameter | ||||||
| Positioniergenauigkeit | Ebene | < 3 | M | @Offenes Land | ||
| Höhe | < 4,5 | M | ||||
| Genauigkeit der Geschwindigkeitsmessung | <0,1 | M | ||||
| Empfindlichkeit | erfassen | -147 | dBm | |||
| Schiene | -163 | dBm | ||||
| Externer Antennengewinn | 30 | dB | ||||
| Genauigkeit der Geschwindigkeitsmessung | < 0,1 | MS | ||||
| Zeit bis zur ersten Lösung | Kaltstart | < 28 | S | |||
| Heißstart | 1 | S | ||||
| Rückeroberung | 1 | S | ||||
| Parameter der seriellen Schnittstelle | ||||||
| Baudrate der seriellen Schnittstelle | 4800 | 115200 | 230400 | bps | ||
| Datenaktualisierungsrate (Single-Modus) | BDS/GPS/ GLONASS/ Galileo | 1 | 20 | Hz | Standardmäßig 1 Hz | |
| Datenaktualisierungsrate (Dual-Modus) | BDS+GPS | 1 | 10 | Hz | ||
| BDS+GLONASS | 1 | 10 | Hz | |||
| BDS+Galileo | 1 | 10 | Hz | |||
| GPS+GLONASS | 1 | 10 | Hz | |||
| GPS+Galileo | 1 | 10 | Hz | |||
| GLONASS+Galileo | 1 | 10 | Hz | |||
| Datenaktualisierungsrate (Tri-Mode) | BDS+GPS+GLONASS | 1 | 10 | Hz | ||
| BDS+GPS+Galileo | 1 | 10 | Hz | |||
| Datenaktualisierungsrate (Quad-Modus) | BDS+GPS+GLONASS+Galileo | 1 | 10 | Hz | ||
| Typ | GPS |
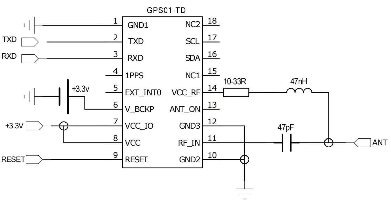
Die aktive Antennenanschlussmethode ist wie folgt:

Die Methode zum Anschluss passiver Antennen ist wie folgt:


| PIN-Nummer | Pin-Definition | E/A | Niveaustandard | Beschreibung |
| 1, 10, 12 | Masse | — | Stromerdung | |
| 2 | TXD | O | 0-3,5 V | Serielle Schnittstelle |
| 3 | RXD | ICH | 0-3,5 V | Serielle Schnittstelle |
| 4 | 1PPS | O | 0-3,5 V | 1 Impulsausgang pro Sekunde |
| 5 | EXT_INT0 | ICH | 0-3,5 V | Reserviert |
| 6 | V_BCKP | ICH | 2,5-3,5 V | Notstromversorgung |
| 7 | VCC_IO | — | 3,0-3,5 V | IO-Stromeingang |
| 8 | VCC | — | 3,0-3,5 V | Hauptstromeingang |
| 9 | nRESET | ICH | 0-3,5 V | Externer Reset, aktiv niedrig. Kann nicht über einen Kondensator mit Masse verbunden werden. |
| 11 | RF_IN | ICH | Antenneneingang | |
| 13 | ANT_ON | O | 0-3,5 V | Reserviert |
| 14 | VCC_RF | O | VCC | 3,3-V-Ausgang, Stromversorgung für die Antenne oder den LNA, nicht mehr als 20 mA |
| 15, 18 | NC | — | ||
| 16 | SDA | E/A | 0-3,5 V | I2C-Schnittstelle |
| 17 | SCL | ICH | 0-3,5 V | I2C-Schnittstelle |

Datenschutzrichtlinie
· Datenschutzrichtlinie
Derzeit sind keine Inhalte verfügbar
E-Mail: sales@nicerf.com
Tel.:+86-755-23080616