Typ: GPS
Zertifizierung: Andere
Größe (mm):9,9*10,1
GPS01 ist ein GPS-Modul, das die Dual-Mode-Navigation mit den Frequenzpunkten BDS B1/GPS L1/GLONASS L1 (zwei von drei) unterstützt. Es bietet hohe Empfindlichkeit, hohe Positionsgenauigkeit, geringen Stromverbrauch und kostengünstige Positionierungs- und Navigationslösungen für die Herstellung von Navigations- und Positionierungsendgeräten für Fahrzeuge, Schiffe, Handhelds und Wearables.
| Parameter | Beschreibung | Minimum | Typisch | Maximal | Einheit | Zustand |
| Betriebsbedingungen | ||||||
| Betriebsspannungsbereich | VCC | 3.0 | 3.3 | 3.5 | V | |
| V_BCKP | 2.5 | 3.3 | 3.5 | V | ||
| Temperatur | Arbeiten | -40 | 85 | ℃ | ||
| Lagerung | -40 | 125 | ℃ | |||
| Stromaufnahme | ||||||
| Aktuellen Empfang | < 30 | mA | VCC = 3,3 V, V_BCKP = 3,3 V | |||
| Schlafstrom | < 20 | uA | VCC = 0 V, V_BCKP = 3,3 V | |||
| Radiofrequenzparameter | ||||||
| Positioniergenauigkeit | Ebene | < 3 | M | @Offenes Land | ||
| Elevation | < 4,5 | M | ||||
| Empfindlichkeit | erfassen | -147 | dBm | |||
| Schiene | -163 | dBm | ||||
| Externer Antennengewinn | 30 | dB | ||||
| Genauigkeit der Geschwindigkeitsmessung | < 0,1 | MS | ||||
| Erste Fixzeit TTFF | Kaltstart | < 28 | S | |||
| Heißstart | 1 | S | ||||
| Rückeroberung | 1 | S | ||||
| Parameter der seriellen Schnittstelle | ||||||
| Baudrate der seriellen Schnittstelle | 4800 | 9600 | 230400 | bps | Standardmäßig 9600 bps | |
| Datenaktualisierungsrate (Einzelsystem) | BDS/GPS/GLONASS | 1 | Hz | |||
| Datenaktualisierungsrate (Duales System) | BDS+GPS | 1 | Hz | |||
| BDS+GLONASS | 1 | Hz | ||||
| GPS+GLONASS | 1 | Hz | ||||
| Typ | GPS |
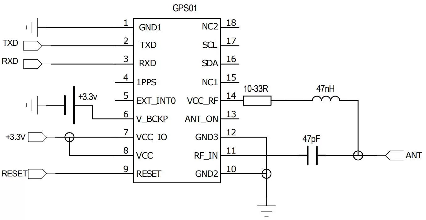
Die aktive Antennenanschlussmethode ist wie folgt:

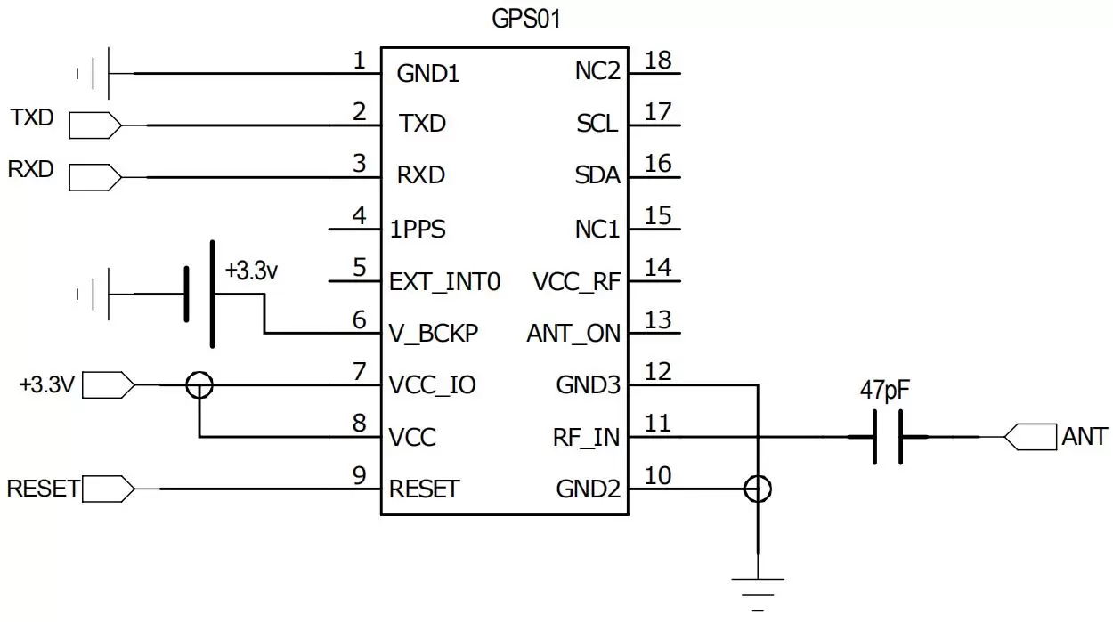
Die Methode zum Anschluss passiver Antennen ist wie folgt:



PIN-Nummer | Pin-Definition | E/A | Niveaustandard | Beschreibung |
1, 10, 12 | Masse | — |
| Stromerdung |
2 | TXD | O | 0-3,5 V | Datenausgabe, Statusausgabe |
3 | RXD | ICH | 0-3,5 V | Empfang von Steuerbefehlen |
4 | 1PPS | O | 0-3,5 V | Zweiter Impulsausgang |
5 | EXT_INT0 | ICH | 0-3,5 V | reservierter Port |
6 | V_BCKP | ICH | 2,5-3,5 V | Notstromversorgung |
7 | VCC_IO | — | 3,0-3,5 V | IO-Stromeingang |
8 | VCC | — | 3,0-3,5 V | Hauptstromeingang |
9 | nRESET | ICH | 0-3,5 V | Externer Reset, aktiv niedrig. Der Reset-Pin kann nicht mit dem Massekondensator außerhalb des Moduls verbunden werden. |
11 | RF_IN | ICH |
| Antenneneingang |
13 | ANT_ON | O | 0-3,5 V | Eingebauter IC GPIO, Funktion reserviert |
14 | VCC_RF | O | VCC | 3,3-V-Ausgang, die Antenne wird vom Modul mit Strom versorgt und es wird empfohlen, dass der Antennenbetriebsstrom 20 mA nicht überschreitet |
15, 18 | NC | — |
|
|
16 | SDA | E/A | 0-3,5 V | Datensignal der Zweidraht-DDC-Schnittstelle |
17 | SCL | ICH | 0-3,5 V | Taktsignal der Zweidraht-DDC-Schnittstelle |

Datenschutzrichtlinie
· Datenschutzrichtlinie
Derzeit sind keine Inhalte verfügbar
E-Mail: sales@nicerf.com
Tel.:+86-755-23080616