Zertifizierung: Andere
Modulation: LoRa
Chip: LR1120
Schnittstelle: SPI
Ausgangsleistung: 160 mW
Frequenz: 433 MHz,470 MHz,490 MHz,868 MHz,915 MHz,2,4 GHz,1,9 G
Größe (mm):19,72*15
Das Modul LoRa1121F33-2G4 basiert auf dem LR1121-Chip von SEMTECH, einem extrem stromsparenden LoRa-Transceiver mit großer Reichweite, der das Sub-GHz- und 2,4-GHz-Band unterstützt. Es unterstützt LoRa, (G)FSK-Modulation, Sigfox-Protokoll und LR-FHSS. Es ist mit dem LoRaWAN-Kommunikationsprotokoll kompatibel und kann als LoRaWAN-Knoten fungieren. Darüber hinaus bietet es flexible Konfigurationsmöglichkeiten, um die Anforderungen verschiedener Anwendungen und proprietärer Protokolle zu erfüllen.
Parameter | Testbedingung | Mindest. | Typ. | Max | Einheit |
Spannungsbereich | 3.0 | 5 | 5.5 | V | |
Betriebstemperatur | - 4 0 | 25 | 85 | ℃ | |
Maximales Eingangssignal | 10 | dBm | |||
Stromverbrauch | |||||
Sendestrom | 433 MHz, 5 V, 2 W | < 900 | mA | ||
@2,4 GHz, 5 V, 1 W, Sendeleistung = 5 | < 1200 | mA | |||
Aktuellen Empfang | @ S ub-G | < 8 | mA | ||
@2.4G | < 24 | 29 | mA | ||
Schlafstrom | < 20 | uA | |||
HF-Parameter | |||||
Frequenzbereich | @433MHz | 400 | 470 | MHz | |
@470MHz | 470 | 510 | MHz | ||
@868MHz | 850 | 890 | MHz | ||
@915MHz | 900 | 940 | MHz | ||
Sendeleistung | @sub-GHz | 18 | 33 | dBm | |
@2,4G- Bänder | 22 | 30 | dBm | ||
Empfangsempfindlichkeit | BW=62.5KHz,SF=12 @ Sub -GHz | -142 | dBm | ||
BW=406KHz,SF=7 @2,4G- Bänder | -129 | dBm | |||
Frequenzfehler | 0,5 | ppm | |||
Modulationsrate (@sub-GHz) | @LoRa | 0,091 | 62,5 | Kbps | |
@FSK | 0,6 | 300 | Kbps | ||
Modulationsrate (@ 2,4G- Bänder ) | @LoRa | 0,476 | 101,5 | Kbps | |
Sub-GHz-Bänder: 433/470/MHz 2W
Sub-GHz-Bänder: 868/915 MHz 1 W (anpassbar: 150–960 MHz)
2,4 G-Bänder: 2400 MHz ~ 2500 MHz 1 W
2,4 GHz-Empfindlichkeit: bis zu -129 dBm bei BW=406 KHz, SF=7
Sub-GHz-Empfindlichkeit: bis zu -144 dBm bei BW = 62,5 kHz, SF = 12
Elektrostatischer Schutz (ESD)
Unterstützt LR-FHSS
Unterstützt LoRaWAN- und Sigfox-Protokoll
Unterstützt AES-128-Verschlüsselung und -Entschlüsselung
Sub-GHz-Übertragung über 10 km in offenen Bereichen
Ruhestrom < 20µA
Kleine Größe, Stempellochdesign
Drohnen
Fernbewässerung
Smart Home/Smarte Landwirtschaft
Industrielle Fertigung


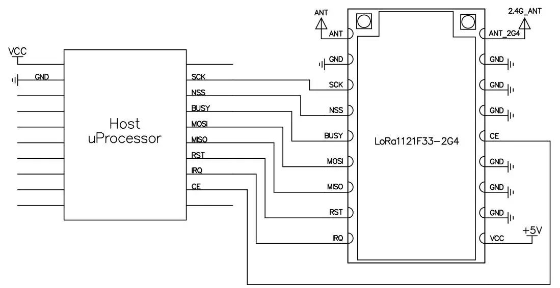
Pin-Nr. | Pin-Name | E/A | IO-Ebene | Beschreibung |
1 | VCC | An die positive Stromversorgung anschließen | ||
2,3,4,6,7,8,11 | GND | An die negative Stromversorgung anschließen | ||
5 | CE | ICH | 0–5,5 V | Interner LDO-Aktivierungs-Steuerpin , hochziehen oder schweben lassen für den Betrieb, für den Ruhemodus mit Masse verbinden. Intern hochgezogen |
9 | ANT_ 2 G 4 | 2,4 GHz Antennenschnittstelle, externe 50Ω Antenne | ||
10 | AMEISE | Sub-G-Antennenschnittstelle, externe 50Ω-Antenne | ||
12 | SCK | ICH | 0–3,3 V | SPI-Takteingang |
13 | NSS | ICH | 0–3,3 V | SPI-Chip-Select-Eingang |
14 | BESCHÄFTIGT | O | 0–3,3 V | Wird zur Statusanzeige verwendet. Weitere Informationen finden Sie im Chip-Datenblatt. |
15 | MOSI | ICH | 0–3,3 V | SPI-Dateneingabe |
16 | MISO | O | 0–3,3 V | SPI-Datenausgabe |
17 | ZURÜCKSETZEN | ICH | 0–3,3 V | Triggereingang zurücksetzen, Einzelheiten finden Sie im Chip-Datenblatt |
18 | IRQ | O | 0–3,3 V | Digitale Mehrzweckschnittstelle, Einzelheiten finden Sie im Chip-Datenblatt |

Datenschutzrichtlinie
· Datenschutzrichtlinie
Derzeit sind keine Inhalte verfügbar
E-Mail: sales@nicerf.com
Tel.:+86-755-23080616