Zertifizierung: Andere
Modulation: LoRa
Schnittstelle: TTL
Ausgangsleistung: 1W
Frequenz: 410~490MHz
Netzwerk: Andere
Größe (mm):39,3*24
SA618F22-C1 ist ein verbessertes Vollduplex-Funkmodul für digitale und Audio-All-in-One-Übertragung aus unserem Hause. Es zeichnet sich durch kürzere Latenzzeiten aus und unterstützt hochwertige Anrufe für bis zu 8 Benutzer gleichzeitig. Benutzer können Daten drahtlos über die serielle Schnittstelle übertragen und Sprachsignale per Mikrofon, Line-In oder I2S übertragen. Das Modul ist mit einem Hochgeschwindigkeits-Mikrocontroller, Echokompensationsschaltung, ESD-Schutz, einem leistungsstarken HF-Chip und einem Verstärker ausgestattet. Die Breitband-Spread-Spectrum-Technologie sorgt für geringen Stromverbrauch, hohe Reichweite und flexible Frequenzanpassung. SA618F22-C1 unterstützt gleichzeitigen Mehrkanalempfang und -weiterleitung in einem Mesh-Netzwerk.
SA618F22-C1 ermöglicht Vollduplex-Kommunikation über die serielle Schnittstelle und bietet drahtlose Datenübertragung mit Mesh-Netzwerkfunktionen. Es unterstützt Over-the-Air (OTA)-Upgrades und serielle Schnittstellen-Upgrades, sodass Benutzer interne Parameter einfach einstellen und die Übertragungsfunktionen über die serielle Schnittstelle steuern können. SA618F22-C1 ist mit Hardware- und Software-Watchdogs ausgestattet, um Systemabstürze zu verhindern. Außerdem verfügt es über Verpolungsschutz sowie Überstrom- und Überspannungsschutzschaltungen, die einen sicheren und stabilen Betrieb des Geräts in verschiedenen Umgebungen gewährleisten. SA618F22-C1 wird unter strengen bleifreien Verfahren hergestellt und getestet, entspricht den RoHS- und REACH-Standards und ist CE- und FCC-zertifiziert.
Parameter | Zustand | Mindest. | Typ. | Max. | Einheit |
Stromversorgung | 2.3 | 3.3 | 3.6 | V | |
Arbeitstemperatur | -30 | 25 | 70 | ℃ | |
Stromaufnahme | |||||
Schlafstrom | 12 | uA | |||
RX-Strom | @keine Sprachausgabe | 50 | mA | ||
TX-Strom (hohe Leistung) | @22dBm Durchschnitt | 60 | mA | ||
HF-Parameter | |||||
Betriebsfrequenz | UHF | 420 | 510 | MHz | |
Anpassbare Frequenz | 150 | 960 | MHz | ||
Standardversandhäufigkeit | UHF (1-MHz-Intervall) | 440.125 | 455.125 | MHz | |
Sendeleistung | Standard | 0 | 22 | dBm | |
Zweite Harmonische | -40 | dBm | |||
Bandbreite ( BW) | 500 | KHz | |||
Empfangsempfindlichkeit | -117 | dBm | |||
Audioparameter | |||||
Modulationsempfindlichkeit | 10 | 100 | mV | ||
Empfangs-Signal-Rausch-Verhältnis (SNR) | 90 | dB | |||
Frequenzgang | 60 | 3800 | Hz | ||
Sprachausgabe ( Line - Out) | Last 16 Ω | 40 | mW | ||
Verzögerungsparameter | 8 Kanäle | 160 | 200 | 240 | MS |
Frequenzband UHF 420–510 MHz (anpassbar 150–960 MHz)
Bis zu 8 Geräte senden gleichzeitig (unbegrenzter Empfang)
Echokompensationsfunktion
VOX-Funktion
Hohe Integration und kompakte Größe
Geringer Stromverbrauch im Ruhemodus
1–3 km Übertragungsdistanz im offenen Bereich
Unterstützt 2 bis 8 Personen bei gleichzeitigen Anrufen in hoher Qualität
Kürzere Anruflatenz
I2S Digitales Audio + analoges Audio
Line-In + Mikrofoneingang
Vollduplex-Datenübertragung
Mesh-Netzwerk
Unterstützt OTA und serielles Upgrade
Hohe Empfangsempfindlichkeit: -117 dBm
Brandnotfallkommunikation
U-Bahn, Tunnelkommunikation
Reitsprechanlage
Hochwertiges Vollduplex-Walkie-Talkie
Konferenztelefonsystem
Aufbau eines gemeinschaftlichen Sicherheitssystems
Sicherheitssprechanlage für besondere Szenarien
Kopfhörer-Walkie-Talkie
Walkie-Talkie für spezielle Arbeitsaufgaben
Analoge Eingangs- und Ausgangsanwendungsschaltung (eingebauter Audioverstärker)

Analoge Eingangs- und Ausgangsanwendungsschaltung (Externer Audioverstärker)

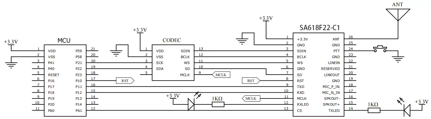
IIS-Ein- und Ausgabeanwendungsschaltung


Pin-Nr. | Pin-Name | E/A | Beschreibung |
1 | +3,3 V | An positive Stromversorgung anschließen (2,3–3,6 V) | |
2,6,19,23,25 | GND | An den Minuspol der Stromversorgung anschließen | |
3 | SDIN | ICH | Externes I2S (0–3,3 V) |
4 | BCLK | O | Externes I2S (0–3,3 V) |
5 | WS | O | Externes I2S (0–3,3 V) |
7 | SD | O | Externes I2S (0–3,3 V) |
8 | RST | ICH | Modul-Reset-Pin: Ziehen Sie den Low-Pin länger als 5 ms, um das Modul zurückzusetzen |
9 | TXD | O | Sende-Pin für serielle Schnittstelle des Moduls |
10 | RXD | ICH | Empfangspin für die serielle Schnittstelle des Moduls |
11 | MCLK | O | Externes I2S (0–3,3 V) |
12 | RXLED | O | Empfangsanzeige, verbunden mit externer LED, schaltet sich durch Niedrigpegelausgang ein, wenn Daten oder Sprache empfangen werden (1K-Ohm-Widerstand zur Strombegrenzung empfohlen) |
13 | CS | ICH | Der Sleep-Pin des Moduls: High-Level für den Betrieb und Low- |
14 | TXLED | O | Die Sendeanzeige ist mit einer externen LED verbunden und wird durch einen niedrigen Ausgangspegel eingeschaltet, wenn Daten oder Sprache übertragen werden (zur Strombegrenzung wird ein 1-kOhm-Widerstand empfohlen). |
15 | SPKOUT+ | O | Externer Anschluss: 8Ω 2W Lautsprecher |
16 | SPKOUT- | O | Externer Anschluss: 8Ω 2W Lautsprecher |
17 | MIC_N_IN | ICH | Negative Elektrode des externen Mikrofons |
18 | MIC_P_IN | ICH | Positive Elektrode des externen Mikrofons |
20 | LINE_OUT | O | Verbunden mit 16 Ω Ohrhörern |
21 | Reserviert | Modulteststift, der Benutzer sollte ihn unverbunden lassen | |
22 | LINE_IN | ICH | Line-In, maximal 1 VRMS |
24 | PTT | ICH | Zum Sprechen drücken, nach unten ziehen, um in den Sendemodus zu wechseln, nach oben ziehen oder offen lassen, um in den Empfangsmodus zu wechseln, intern nach oben ziehen, |
26 | AMEISE | Verbunden mit einer 50-Ohm-Antenne |

Datenschutzrichtlinie
· Datenschutzrichtlinie
Derzeit sind keine Inhalte verfügbar
E-Mail: sales@nicerf.com
Tel.:+86-755-23080616