Typ: Kabelloses Audio
Zertifizierung: Andere
Ausgangsleistung: 1W
Größe (mm):39,3 mm x 24 mm
SA618F30-C1 ist ein verbessertes, kostengünstiges, hochintegriertes und leistungsstarkes Vollduplex-Intercom-Modul von NiceRF. Es verfügt über einen integrierten Hochgeschwindigkeits-Mikrocontroller, Audio-Codec, Echokompensationsschaltung, ESD-Schutz, einen leistungsstarken HF-Chip und einen Verstärker. Das Modul bietet einen seriellen Standardanschluss für die Kommunikation, sodass Benutzer Parameter einfach konfigurieren und Sende- und Empfangsfunktionen steuern können. Durch den Anschluss eines Audioverstärkers, Mikrofons und Lautsprechers kann es als kompakte Gegensprechanlage fungieren. Seine vereinfachte Schnittstelle und die ultrakompakte Größe machen es für verschiedene Anwendungen geeignet und ermöglichen die nahtlose Integration in Handheld-Geräte, um die Gesamtleistung von Endgeräten zu verbessern.
Das Vollduplex-Intercom-Modul SA618F30-C1 unterstützt bis zu acht Benutzer gleichzeitig für hochwertige Anrufe. Es bietet 8-Kanal-Parallelfunktionalität mit unbegrenztem Empfang und garantiert jedem Benutzer ein hervorragendes Audioerlebnis. Die Audioqualität bei 8-Kanal-Parallelnutzung ist deutlich besser als bei vergleichbaren Produkten.
SA618F30-C1 wird unter Verwendung bleifreier Verfahren hergestellt und getestet und entspricht den RoHS- und REACH-Standards.
Parameter | Testbedingungen | Mindest. | Typ. | Max. | Einheit |
Betriebsspannung | 3.3 | 4.2 | 5.5 | V | |
Arbeitstemperatur | -30 | 25 | 70 | ℃ | |
Stromaufnahme | |||||
Schlafstrom | 10 | 20 | uA | ||
RX-Strom | @ Keine Audioausgabe | 50 | 55 | mA | |
TX-Strom | 4 V, bei 30 dBm | 16 0 | mA | ||
HF-Parameter | |||||
Betriebsfrequenz | UHF | 410 | 480 | MHz | |
Anpassbare Frequenz | 150 | 960 | MHz | ||
Standardversandhäufigkeit | UHF (1-MHz-Intervall) | 440.125 | 455.125 | MHz | |
Sendeleistung | @5V | 16 | 32 | dBm | |
Bandbreite ( BW) | 500 | KHz | |||
Empfangsempfindlichkeit | -117 | dBm | |||
Audioparameter | |||||
Modulationsempfindlichkeit | 10 | 100 | mV | ||
Empfangs-Signal-Rausch-Verhältnis (SNR) | 90 | dB | |||
Frequenzgang | 60 | 3800 | Hz | ||
Audioausgang ( Line-Out) | Last 16 Ω | 40 | mW | ||
8 Kanäle | 160 | 20 0 | 240 | MS | |
Merkmale
Hohe Integration und geringe Größe
Anwendungen
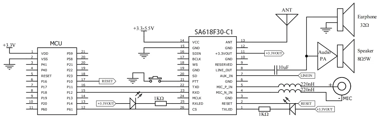
Analoge Eingangs- und Ausgangsanwendungsschaltung

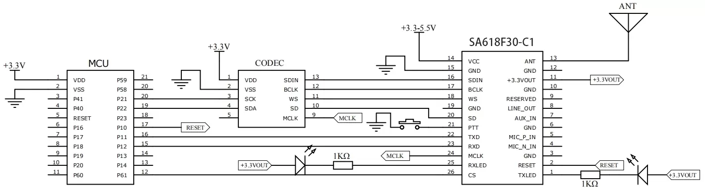
I2S-Ein- und -Ausgangsanwendungsschaltung


Pin-Nr. | Pin-Name | E/A | Beschreibung |
1 | TXLED | O | Die Sendeanzeige ist mit einer externen LED verbunden und wird durch einen niedrigen Ausgangspegel eingeschaltet, wenn Daten oder Sprache übertragen werden (zur Strombegrenzung wird ein 1-kOhm-Widerstand empfohlen). |
2 | RST | ICH | Modul-Reset-Pin, externes Herunterziehen für mehr als 5 ms setzt das Modul zurück |
3, 6, 10, 12,15,19 | Masse | Boden | |
4 | MIC_N_IN | ICH | Negative Elektrode des externen Mikrofons, in Reihe geschaltet mit 220 nH Induktivität, siehe unten stehenden typischen Schaltkreis. |
5 | MIC_P_IN | ICH | Positive Elektrode des externen Mikrofons, in Reihe geschaltet mit 220 nH Induktivität, siehe unten stehenden typischen Schaltkreis. |
7 | Aux_IN | ICH | Externes Audio-Eingangssignal, maximal 1 VRMS |
8 | LINE_OUT | O | Externe 16-Ohm-Kopfhörer können angeschlossen werden. Zur Eliminierung von HF-Störungen ist hierfür eine zusätzliche LC-Tiefpassfilterschaltung erforderlich. Siehe typische Schaltung. |
9 | Reserviert | Die Teststifte des Moduls sollten vom Benutzer unverbunden bleiben. | |
11 | +3,3 V Ausgang | O | 3,3 V Reglerausgang, maximale Belastung 50 mA |
13 | AMEISE | Verbunden mit 50-Ohm-Antenne | |
14 | VCC | Stromversorgung ( 3,3 – 5,5 V ) | |
16 | SDIN | ICH | Verbunden mit externem I2S-Gerät, (0 – 3,3 V) |
17 | BCLK | O | |
18 | WS | O | |
20 | SD | O | |
21 | PTT | ICH | Der Sende-Pin des Moduls wird nach unten gezogen, um in den Sendemodus zu wechseln. Ein interner Pull-Up-Widerstand sorgt für einen High-Level-Ausgang. |
22 | TXD | O | Serieller Sendepin (Spannung 0–3,3 V) |
23 | RXD | ICH | Serieller Empfangspin (Spannung 0–3,3 V) |
24 | MCLK | O | Verbunden mit externem I2S-Gerät (0–3,3 V) |
25 | RXLED | O | Empfangsanzeige, verbunden mit externer LED, schaltet sich durch Niedrigpegelausgang ein, wenn Daten oder Sprache empfangen werden (1K-Ohm-Widerstand zur Strombegrenzung empfohlen) |
26 | CS | ICH | Der Sleep-Pin des Moduls arbeitet im Normalbetrieb auf High-Pegel und im Sleep-Modus auf Low-Pegel. Er verfügt über einen internen Pull-Up-Widerstand, der standardmäßig auf High-Pegel eingestellt ist. |

Datenschutzrichtlinie
· Datenschutzrichtlinie
Derzeit sind keine Inhalte verfügbar
E-Mail: sales@nicerf.com
Tel.:+86-755-23080616