Schnittstelle: IO
Kanal: 4-Kanal
Kommunikation: Zweiwege
Offene Entfernung (km): 2,5 bis 3
Größe (mm):115*90
Die elektrischen Parameter des SK200-TX-Moduls sind wie folgt:
| Modell | SK200-TX-100mW |
| Sendeleistung | 20 dBm |
| Betriebsspannung (Bereich) | 5 V (3,3 V – 6,5 V) |
| Schlafstrom | 200 uA |
| Ruhestrom | 15 mA |
| Emissionsstrom | 130 mA |
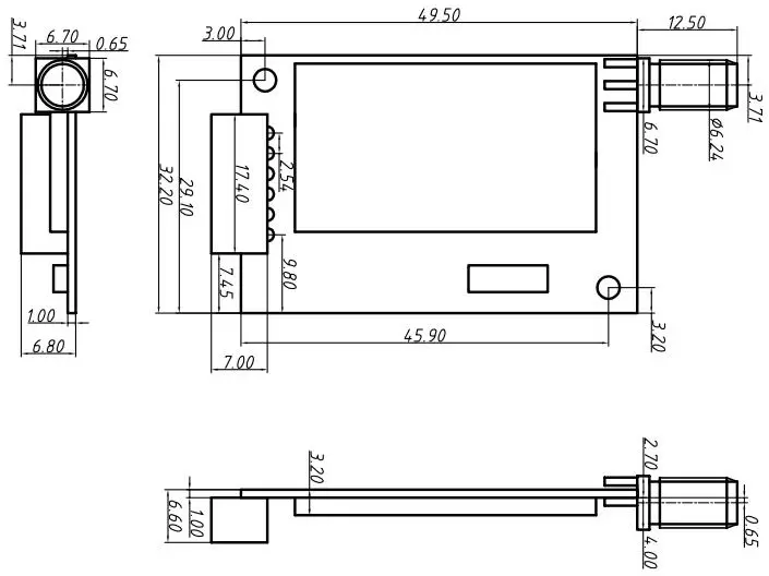
| Größe (mm) | 49,5*32,2*3,2 |
| Arbeitstemperaturbereich | -40℃~85℃ |
Die elektrischen Parameter des SK200-RX-Moduls sind wie folgt:
| Parameter | Kleinste | Typisch | Größte | Einheit | Zustand |
| Betriebsbedingungen | |||||
| Betriebsspannungsbereich | 5 | 12 | 30 | V | |
| Relaislast | < 10 | A | @220V | ||
| Radiofrequenzparameter | |||||
| Aktuellen Empfang | < 10 | mA | @12V | ||
| Empfangsempfindlichkeit | -132 | dBm | |||
| Schnittstelle | E/A, Uart |
| Kanal | 1 Kanal |
| Kommunikation | Ein Weg |
| Offene Entfernung (km) | 9~10 |
Die Schnittstellenbeschreibung des Empfängermoduls SK200-RX ist in der folgenden Abbildung dargestellt:

Die Schnittstellenbeschreibung des Sendemoduls SK200PRO-TX ist in der folgenden Abbildung dargestellt:
SK200-TX-100mW:

| Pin-Definition | Beschreibung |
| VCC | Anschluss an Pluspol |
| Masse | Boden |
| TXD | Für die Parametrierung im Konfigurationsmodus |
| RXD | Für die Parametrierung im Konfigurationsmodus |
| SATZ | Konfigurationsparameter aktivieren (Low-Level-Aktivierungsparameterkonfiguration, Standard-High-Level-Ausgabe) |
| CS | Schaltsignal-Eingangspin (mit internem Pull-up) |
Sendermodul
SK200PRO-TX-100mW

Empfängermodul SK200-RX

Datenschutzrichtlinie
· Datenschutzrichtlinie
Derzeit sind keine Inhalte verfügbar
E-Mail: sales@nicerf.com
Tel.:+86-755-23080616